[講述]一、低壓電器的基本知識
電器:電能的(de)(de)(de)(de)生產、輸送、分配(pei)與應(ying)用(yong)起(qi)著控制(zhi)、調節、檢測(ce)和保(bao)護(hu)(hu)的(de)(de)(de)(de)作用(yong)。電器:根據外界(jie)的(de)(de)(de)(de)信號和要求,自動或手(shou)動接通或斷開電路(lu),斷續或連續地改變(bian)電路(lu)參數(shu),以實現(xian)對(dui)(dui)電路(lu)或非電路(lu)對(dui)(dui)象(xiang)的(de)(de)(de)(de)切換(huan)、控制(zhi)、保(bao)護(hu)(hu)、檢測(ce)、變(bian)換(huan)和調節用(yong)的(de)(de)(de)(de)電氣設(she)備。
電器定義:一(yi)種能控(kong)制電能的設備。
[講述][比較](一)低壓電器的分類
1.按工(gong)作電壓等級分類(lei)
低壓電器:用于交流1200V、直流1500V以下(xia)電(dian)路起通斷、保護(hu)、控制或調(diao)節作用的電(dian)器。
高壓電器:交流1200V以上、直流(liu)1500V以上。
2.按電器(qi)的(de)動(dong)作(zuo)原理分:手動電器和自動電器。
3.按(an)電(dian)器(qi)(qi)的性能(neng)和(he)用途分:控制(zhi)電(dian)器(qi)(qi)、主令電(dian)器(qi)(qi)、保(bao)護電(dian)器(qi)(qi)、執行電(dian)器(qi)(qi)、配(pei)電(dian)電(dian)器(qi)(qi)。
4.按工作原理(li)分:電(dian)磁式電(dian)器(qi)和非電(dian)量控制電(dian)器(qi)。
5.按有無觸(chu)點分(fen):有觸(chu)點電(dian)器和無觸(chu)點電(dian)器。
(二)電器的作用
控(kong)制、保護、測(ce)量、指示、轉換(huan)。
[講述]二、常用低壓配電電器
[實物展示](一)低壓刀開關
是一(yi)種(zhong)低壓手動非電(dian)量控(kong)制配電(dian)(控(kong)制)電(dian)器
結(jie)構和符(fu)號
2.作(zuo)用
1)電源(yuan)隔離、配電
2)控制非(fei)頻繁(fan)(每小時不能大于15-20次)地接通和分斷容量(liang)較小的低壓(ya)配電(dian)線路。
3)安裝在(zai)控制箱的右上(shang)方并(bing)且上(shang)方不能安裝其(qi)他電器,接線(xian)時應將電源(yuan)線(xian)接在(zai)上(shang)端,負載(zai)接在(zai)下(xia)端,這樣拉閘后刀片(pian)與電源(yuan)隔離,可(ke)防止(zhi)意外事故發生
4)選用(yong)
刀開額定電流 =(1.5—2.5)電機額定(ding)電流
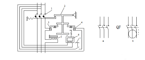
(二)低壓斷路器
1. 結構和符號
低壓(ya)斷路器也稱(cheng)為自動(dong)空氣開(kai)關,由操作機構、觸(chu)點、保護裝置(各種脫扣器)、滅弧(hu)系統等組成。

1.主觸頭2.自由(you)脫扣器 3.過(guo)電流脫扣(kou)器 (a)低壓斷路器 (b)漏電保護器
4.分勵脫扣(kou)器(qi)5.熱脫扣(kou)器6.失(shi)壓脫(tuo)扣
7.停止按鈕
2. 低壓斷路器的作用
是低壓配電(dian)網中一種重(zhong)要(yao)的(de)保護電(dian)器。
1)可用來(lai)接通和分(fen)斷負載電(dian)路,也可用來(lai)控制不頻繁(fan)起(qi)動的電(dian)動機(ji);
2)被廣泛應用于過載、短(duan)路、欠電(dian)壓、漏電(dian)等保護(hu)。
3. 低壓斷(duan)路器(qi)的選用
1)斷(duan)路器的(de)額定(ding)電壓>被保(bao)護線路的額定(ding)電壓(ya);
2) 斷路器的額定電流>被保(bao)護線路(lu)的計算電流;
3) 極限分斷電流(liu)>線路(lu)的最大短(duan)路(lu)電流的有(you)效值(zhi)。
[講述]三. 常用低壓保護電器
(一) 熔斷器
2.熔斷(duan)器(qi)的作用(yong)
熔斷器是一(yi)種簡(jian)單而(er)有(you)效的保護電器。在電路中(zhong)主要起短路保護作用(yong)
3.熔斷器(qi)的選用
1)保(bao)護無(wu)起動過程(cheng)的平穩負載(照明線路、電阻、電爐等)
熔體(ti)額定電流≥負荷額定電流;
2)保護長期工作(zuo)的電機
熔體額定電流≥ (1.5~2.5) 電動機額(e)定(ding)電
(二)熱繼電器
1. 熱繼電器的結構和符(fu)號
熱繼電(dian)(dian)(dian)器主要(yao)由熱元件、雙(shuang)金(jin)(jin)屬(shu)片和觸點組成(cheng),熱元件由發熱電(dian)(dian)(dian)阻絲做成(cheng)。雙(shuang)金(jin)(jin)屬(shu)片由兩(liang)種熱膨(peng)脹系數不同的金(jin)(jin)屬(shu)輾(zhan)壓而成(cheng),當雙(shuang)金(jin)(jin)屬(shu)片受(shou)熱時(shi),會出現彎曲變形。使用時(shi),把熱元件串接于電(dian)(dian)(dian)動(dong)(dong)機(ji)的主電(dian)(dian)(dian)路(lu)中,而常閉觸點串接于電(dian)(dian)(dian)動(dong)(dong)機(ji)的控制電(dian)(dian)(dian)路(lu)中。
· 2. 熱(re)繼電器的作用
熱繼電器(FR)主要用于電力(li)拖動系統中電動機負載的過載保護。
電(dian)(dian)動(dong)機(ji)在實際(ji)運行中(zhong),常會(hui)遇到過(guo)(guo)載(zai)(zai)(zai)情況(kuang),但只要過(guo)(guo)載(zai)(zai)(zai)不嚴(yan)重(zhong)、時(shi)間短,繞組不超過(guo)(guo)允許的溫(wen)升,這種過(guo)(guo)載(zai)(zai)(zai)是允許的。但如果過(guo)(guo)載(zai)(zai)(zai)情況(kuang)嚴(yan)重(zhong)、時(shi)間長,則會(hui)加速(su)電(dian)(dian)動(dong)機(ji)絕緣的老化,縮短電(dian)(dian)動(dong)機(ji)的使(shi)用年限,甚至燒(shao)毀電(dian)(dian)動(dong)機(ji),因此必須對電(dian)(dian)動(dong)機(ji)進行過(guo)(guo)載(zai)(zai)(zai)保護。
3.熱繼電(dian)器的熔(rong)斷選(xuan)擇
熱繼電(dian)(dian)器(qi)整定電(dian)(dian)流=(0.95~1.05)電(dian)動(dong)機額定電(dian)流
[講述]四.主令電器
控制系統中,主(zhu)令電(dian)(dian)器是一(yi)種(zhong)專(zhuan)門(men)發(fa)布命令、直接(jie)或通過(guo)電(dian)(dian)磁式電(dian)(dian)器間(jian)接(jie)作用(yong)于控制電(dian)(dian)路(lu)的電(dian)(dian)器。常(chang)用(yong)來控制電(dian)(dian)力拖(tuo)動(dong)(dong)(dong)系統中電(dian)(dian)動(dong)(dong)(dong)機的起動(dong)(dong)(dong)、停(ting)車、調(diao)速及制動(dong)(dong)(dong)等。
常用的主令電器有:控制按鈕、行程開關、接近開關,萬能轉換開關、主令控制器及其它主令電器如腳踏開關、倒順開關、緊急開關、鈕子開關等。
(一)控制按鈕
1.控制按鈕的作用
控制按鈕是一種(zhong)結構簡單、使(shi)用廣泛(fan)的手動主令電(dian)器(qi),它可以與(yu)接(jie)觸器(qi)或繼電(dian)器(qi)配合,對電(dian)動機實現遠距(ju)離的自動控制(停車、起動(dong)按(an)鈕(niu)),用于(yu)實現控制線路(lu)的(de)電氣聯(lian)鎖(suo)(復合按(an)鈕(niu))。
2. 控(kong)制按鈕(niu)的結構和符號
按(an)下(xia)按(an)鈕(niu)時(shi),先(xian)斷開常(chang)閉觸(chu)點(dian)(dian)(dian),后(hou)(hou)接通常(chang)開觸(chu)點(dian)(dian)(dian);按(an)鈕(niu)釋放(fang)后(hou)(hou),在復(fu)(fu)位彈簧的作(zuo)用下(xia),按(an)鈕(niu)觸(chu)點(dian)(dian)(dian)自動復(fu)(fu)位的先(xian)后(hou)(hou)順(shun)(shun)序(xu)相反。通常(chang),在無特殊說明的情況下(xia),有觸(chu)點(dian)(dian)(dian)電器的觸(chu)點(dian)(dian)(dian)動作(zuo)順(shun)(shun)序(xu)均為“先斷后合”。
[分析]

3.按(an)鈕的(de)熔(rong)斷選(xuan)擇
按鈕選擇的主要(yao)依據是使用(yong)場所(suo)、所(suo)需要(yao)的觸點數量、種類及(ji)顏(yan)色。
[講述](二)行程開關(限位開關)
1.行程開關的作用(yong)
行(xing)程開關(guan)是一種根據(ju)運動(dong)部件(jian)的(de)行(xing)程位置而切換電(dian)(dian)路(lu)的(de)電(dian)(dian)器,它的(de)作用是控(kong)制行(xing)程、進行(xing)終端(duan)限位保(bao)護。
行程開關的結構(gou)和符(fu)號
行(xing)程(cheng)開關按其結構可分為(wei)直動式(shi)(shi)、滾輪(lun)式(shi)(shi)、微動式(shi)(shi)和組合式(shi)(shi)。
[圖片展示]

(三)接近開關
1. 接近開關的作用
接近式位置(zhi)開(kai)(kai)(kai)關是(shi)一種非接觸式的(de)位置(zhi)開(kai)(kai)(kai)關,簡稱(cheng)接近開(kai)(kai)(kai)關。它由感(gan)應頭、高頻(pin)振蕩器、放(fang)大器和外殼(ke)組成(cheng)。當(dang)運動部(bu)件與接近開(kai)(kai)(kai)關的(de)感(gan)應頭接近時,就使(shi)其輸出一個電信號(hao),從而起到“開”、“關”的(de)(de)控制(zhi)作用(yong)。用(yong)途(tu)已(yi)遠超出一(yi)般行程控制(zhi)和限位保護,可用(yong)于(yu)高(gao)速(su)計數、測速(su)、液面控制(zhi)、檢測物(wu)體的(de)(de)存(cun)在、檢測零件尺寸等許多場(chang)合。
2.接近(jin)開關的結構和符號(hao)
接近(jin)開關分為(wei)電感式(LJ1、LJ2等系(xi)列)和電容(rong)式(LXJ15、TC等系列)兩種,電感(gan)式接近開關(guan)只能用(yong)于檢測(ce)金屬(shu)體(ti),電容(rong)式接近開關(guan)既能檢測(ce)金屬(shu),又能檢測(ce)非金屬(shu)及液體(ti)。
[圖片展示]

(四)紅外線光電開關
1. 紅(hong)外線光電開關作(zuo)用
紅外(wai)(wai)線光電開關也是一(yi)(yi)種(zhong)非(fei)接(jie)觸式的(de)開關,當(dang)運動部件遮(zhe)擋或反射紅外(wai)(wai)線時(shi),就使(shi)其輸(shu)出一(yi)(yi)個電信號,從(cong)而(er)起到“開”、“關(guan)”的控(kong)制作(zuo)用,光電開關和接近(jin)開關的用途已(yi)遠超(chao)出(chu)一般行程控(kong)制和限位保護,可用于高速計數、測(ce)(ce)速、液面控(kong)制、檢測(ce)(ce)物體(ti)的存在、檢測(ce)(ce)零(ling)件(jian)尺寸等許(xu)多(duo)場合(he)。
2. 紅外線(xian)光電(dian)開關的結(jie)構(gou)和符號

紅外線光(guang)電(dian)開關對射(she)式和反射(she)式兩種。
(五)萬能轉換開關
1. 萬(wan)能轉換開關的作用(yong)
萬(wan)能(neng)轉換(huan)開關是一種(zhong)多檔式、控(kong)制(zhi)多回路的主令電(dian)器。萬(wan)能(neng)轉換(huan)開關主要用于(yu)各種(zhong)控(kong)制(zhi)線(xian)路的轉換(huan)、電(dian)壓表、電(dian)流(liu)表的換(huan)相測量(liang)控(kong)制(zhi)、配電(dian)裝置線(xian)路的轉換(huan)和(he)遙控(kong)等。萬(wan)能(neng)轉換(huan)開關還(huan)可以用于(yu)直接控(kong)制(zhi)小(xiao)容(rong)量(liang)電(dian)動(dong)機的起(qi)動(dong)、調速和(he)換(huan)向。
2.萬能轉換(huan)開關的結(jie)構和符號
常(chang)用產品(pin)有LW5(可(ke)控(kong)5.5kW及以下的電動(dong)機)和LW6(2.2kW及以下(xia)的(de)電動(dong)機)系列,手柄(bing)的(de)操作方(fang)式可分為自(zi)復式(手柄(bing)自(zi)動(dong)返(fan)回)和自(zi)定位(wei)式(不(bu)能自(zi)動(dong)返(fan)回)兩(liang)種。
[結構分析]

(六)主令控制器
1. 主令控(kong)制器的作(zuo)用
能頻(pin)繁的對繞線式異(yi)步電動(dong)(dong)(dong)機(ji)的起動(dong)(dong)(dong)、制(zhi)(zhi)(zhi)動(dong)(dong)(dong)、調速(su)及換向實行遠距離控制(zhi)(zhi)(zhi),廣泛用于各類起重機(ji)械的拖動(dong)(dong)(dong)電動(dong)(dong)(dong)機(ji)的控制(zhi)(zhi)(zhi)系統中。
2.主令(ling)控制器的結構和符號(hao)
與萬(wan)能轉換開關(guan)相(xiang)(xiang)比,它的觸點容量(liang)大些,操縱檔位也較(jiao)多(duo)。圖形(xing)符號(hao)與萬(wan)能轉換開關(guan)相(xiang)(xiang)似。
[講述]五. 常用低壓控制電器
(一)接觸器
1.接觸器的作(zuo)用
可頻繁(fan)自動地接通或分斷交(jiao)(交(jiao)流(liu)接觸(chu)器(qi))直(直流(liu)接觸(chu)器(qi))流(liu)大電(dian)(dian)流(liu)電(dian)(dian)路,實現遠(yuan)距離控(kong)制,具(ju)有低電(dian)(dian)壓釋放(fang)(失、欠壓)保護功能,是自動控(kong)制線路中使用最廣泛(fan)的電器元件。
2.接(jie)觸器(qi)的(de)結構和(he)符號
[結構、代號分析]

接(jie)觸器(qi)的選用(yong)
線圈電壓 =電源電壓
主(zhu)觸(chu)頭額定電流≥負荷額定電流
(二)繼電器
繼電器的作(zuo)用
繼電器是根據某種輸入信號的變化(hua),接通或斷(duan)開控(kong)制(zhi)電路(lu),實現自(zi)動控(kong)制(zhi)和保護電力裝(zhuang)置的自(zi)動電器。
1.電磁式(shi)繼電器
1)中間繼電器
作用:“放大”觸點、電壓、電流(liu)
[圖片展示][實物展示]

作用(yong):電(dian)(dian)(dian)壓(ya)繼電(dian)(dian)(dian)器(qi)反映的是(shi)電(dian)(dian)(dian)壓(ya)信(xin)號,可分為過電(dian)(dian)(dian)壓(ya)繼電(dian)(dian)(dian)器(qi)和欠電(dian)(dian)(dian)壓(ya)繼電(dian)(dian)(dian)器(qi)。用(yong)于系統的電(dian)(dian)(dian)壓(ya)(過電(dian)(dian)(dian)壓(ya)、欠電(dian)(dian)(dian)壓(ya))保(bao)護和控制,其線(xian)圈并(bing)聯接入主(zhu)電(dian)(dian)(dian)路,感測主(zhu)電(dian)(dian)(dian)路的線(xian)路電(dian)(dian)(dian)壓(ya),觸(chu)點(dian)接于控制電(dian)(dian)(dian)路,為執行元件。
2)電壓繼電器(qi)
作用(yong):電(dian)(dian)(dian)(dian)(dian)壓(ya)(ya)(ya)(ya)(ya)繼電(dian)(dian)(dian)(dian)(dian)器(qi)反映的是電(dian)(dian)(dian)(dian)(dian)壓(ya)(ya)(ya)(ya)(ya)信號,可分為過電(dian)(dian)(dian)(dian)(dian)壓(ya)(ya)(ya)(ya)(ya)繼電(dian)(dian)(dian)(dian)(dian)器(qi)和欠電(dian)(dian)(dian)(dian)(dian)壓(ya)(ya)(ya)(ya)(ya)繼電(dian)(dian)(dian)(dian)(dian)器(qi)。用(yong)于(yu)(yu)系統的電(dian)(dian)(dian)(dian)(dian)壓(ya)(ya)(ya)(ya)(ya)(過電(dian)(dian)(dian)(dian)(dian)壓(ya)(ya)(ya)(ya)(ya)、欠電(dian)(dian)(dian)(dian)(dian)壓(ya)(ya)(ya)(ya)(ya))保護和控(kong)制,其線圈并聯接入主電(dian)(dian)(dian)(dian)(dian)路(lu),感(gan)測主電(dian)(dian)(dian)(dian)(dian)路(lu)的線路(lu)電(dian)(dian)(dian)(dian)(dian)壓(ya)(ya)(ya)(ya)(ya),觸點接于(yu)(yu)控(kong)制電(dian)(dian)(dian)(dian)(dian)路(lu),為執行元件(jian)。

3)電流繼電器
作用:電(dian)流(liu)繼(ji)電(dian)器反映的是(shi)電(dian)流(liu)信號,可(ke)分為過電(dian)流(liu)繼(ji)電(dian)器和欠電(dian)流(liu)繼(ji)電(dian)器。用于系統的電(dian)流(liu)(過(guo)電流、欠電流)保(bao)護和(he)控制(zhi),其線圈串(chuan)聯接(jie)入主電(dian)路(lu),感(gan)測主電(dian)路(lu)的(de)線路(lu)電(dian)流(liu),觸點接于控制(zhi)電路,為執行(xing)元件。

2. 時間(jian)繼電(dian)器
時間繼電(dian)器是(shi)一種(zhong)利用(yong)電(dian)磁原理(li)或機械動(dong)(dong)作原理(li)實現觸點延時接通或斷開的自動(dong)(dong)控制(zhi)電(dian)器,其種(zhong)類(lei)很(hen)多,常用(yong)的有電(dian)磁式(shi)、空氣阻尼式(shi)、電(dian)動(dong)(dong)式(shi)和晶體管式(shi)等(deng)。廣泛用(yong)于電(dian)力拖動(dong)(dong)、順序控制(zhi)及(ji)各種(zhong)生產過(guo)程(cheng)的自動(dong)(dong)控制(zhi)中。
[比較區分]

3.其它非電磁類繼(ji)電器
非電磁類繼(ji)電器的感測元件接(jie)受非電量信(xin)號(如:溫度、轉速、位移及機(ji)械力(li)等(deng))。常用的非電(dian)磁(ci)類(lei)繼(ji)電(dian)器有:熱繼(ji)電(dian)器、速(su)度繼(ji)電(dian)器、干簧繼(ji)電(dian)器、永磁(ci)感應繼(ji)電(dian)器等。
速度繼(ji)電器
速度繼電(dian)(dian)(dian)器(qi)的(de)軸與電(dian)(dian)(dian)動機(ji)的(de)軸相(xiang)連(lian)接(jie),一般情況下,速度繼電(dian)(dian)(dian)器(qi)的(de)觸(chu)點,在轉速達120r/min時(shi)能動作,100r/min左右時(shi)能(neng)恢復正常位置。
