尺寸在生產過程中是最基本也是最重要的控制要素之一,尺寸測量要素、測量的方法、測量精度、測量標準、測量設備、測量工具工裝、測量環境、測量人員、測量頻次、測量成本是在產品策劃或試生產時的時候必須要考慮的。
首先了解(jie)一些名詞術(shu)語:
長度:是空間的度量,為(wei)點到(dao)點的距離。
長度單位:長度的(de)(de)國際單(dan)位(wei)(wei)是米(mi)(mi)(mi)(mi)(m),常(chang)用的(de)(de)單(dan)位(wei)(wei)有千米(mi)(mi)(mi)(mi)(km),分米(mi)(mi)(mi)(mi)(dm),厘米(mi)(mi)(mi)(mi)(cm),毫米(mi)(mi)(mi)(mi)(mm),微米(mi)(mi)(mi)(mi)(μm)納米(mi)(mi)(mi)(mi)(nm)等。
1千米=1000米
1米=10分(fen)米=100厘(li)米=1000毫米=1000000微米=1000000000納(na)米
1分米=10厘米
1厘米=10毫米
1毫(hao)米(mi)=100絲(si)米(mi)=1000微米(mi)
1微米=1000納米
英制(zhi):以英國和美(mei)國為(wei)主(zhu)的少數歐美(mei)國家使用英制(zhi)單位(wei),主(zhu)要(yao)有英里、碼、英尺(chi)、英寸。
英里(mile)1英里=1760碼=5280英尺=1.609344公里
1 inch 英寸=25.4 mm 毫(hao)米
碼(yard,yd) 1碼=3英尺=0.9144米(mi)
英(ying)(ying)尺(chi)(foot,ft,復數為feet) 1英(ying)(ying)尺(chi)=12英(ying)(ying)寸=30.48厘米
圖紙上一般都是MM毫米
真值:真值是一(yi)個變量本身所(suo)具有的(de)(de)真實值,它是一(yi)個理想(xiang)的(de)(de)概念,一(yi)般是無法得到的(de)(de)。
實際尺寸:實際加工后(hou)測量所得的尺(chi)寸。
基本尺寸:就是你(ni)要得到的理想(xiang)尺(chi)寸,不包含(han)含(han)公(gong)差。
公差:尺寸(cun)公差簡稱(cheng)公差,是(shi)指(zhi)允許的,最大極(ji)限(xian)尺寸(cun)減(jian)最小(xiao)極(ji)限(xian)尺寸(cun)之差的絕對(dui)值的大小(xiao),或允許的上偏差減(jian)下偏差之差大小(xiao)。
誤差:是測量(liang)值(zhi)與真(zhen)值(zhi)之間的差值(zhi)。對(dui)任何一個(ge)物理量(liang)進行(xing)的測量(liang)都不可能得出一個(ge)絕對(dui)準確的數(shu)值(zhi),即(ji)使使用測量(liang)技術所能達到的最完善(shan)的方法(fa),測出的數(shu)值(zhi)也(ye)和(he)真(zhen)實值(zhi)存在差異,這(zhe)種測量(liang)值(zhi)和(he)真(zhen)實值(zhi)的差異稱為誤差。
相對誤差:相對誤差指的是測量所造成的絕對誤差與被測量(約定)真值之比乘以100%所得的數值,以百分數表示。一般來說,相對誤差更能反映測量的可信程度。
絕對誤差:示值(zhi)(zhi)(zhi) - 標準值(zhi)(zhi)(zhi)(即測量值(zhi)(zhi)(zhi)與(yu)真實值(zhi)(zhi)(zhi)之差(cha))
測量精度:準確度等級是衡量儀表質(zhi)量優劣的重要指標之一。
1、我國(guo)工業儀表精度(du)(du)等級有:0.005、0.02、0.05、0.1、0.2、0.35、0.4、0.5、1.0、1.5、2.5、4.0等。 級數越小,精度(du)(du)(準確度(du)(du))就越高。
2、 工業過程(cheng)測量和控(kong)制(zhi)用檢測儀(yi)表和顯(xian)示儀(yi)表精確度(du)等(deng)級 有(you):0.01,0.02,(0.03),0.05,0.1,0.2,(0.25),(0.3),(0.4),0.5,1.0,1.5,(2.0),2.5,4.0,5.0 ;共16個,其中括號里的5個不推薦使用。依據標準為 《GBT 13283-2008 工業過程(cheng)測量和控(kong)制(zhi)用檢測儀(yi)表和顯(xian)示儀(yi)表精確度(du)等(deng)級》。
基準:基準(zhun)就是用來確定生(sheng)產對(dui)象上(shang)幾(ji)何關系所依據的點,線或面(mian)。
基(ji)準(zhun)分為:⑴ 設(she)計基(ji)準(zhun)、⑵ 工藝基(ji)準(zhun)
工(gong)藝基(ji)(ji)準又(you)分(fen)為: ⑴工(gong)序(xu)基(ji)(ji)準、 ⑵ 定位(wei)基(ji)(ji)準、⑶ 測量基(ji)(ji)準、 ⑷裝配基(ji)(ji)準

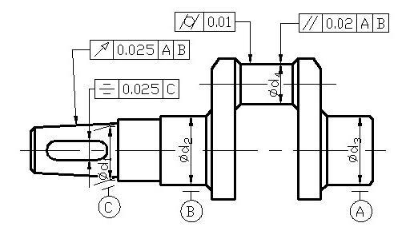
形位公差:形位(wei)公差(cha)包括(kuo)形狀公差(cha)和(he)(he)位(wei)置公差(cha)。任何零件都(dou)是由點、線、面構成的(de),這(zhe)些點、線、面稱(cheng)為要(yao)(yao)素(su)。機(ji)械加(jia)工后零件的(de)實際要(yao)(yao)素(su)相對于理想要(yao)(yao)素(su)總有誤差(cha),包括(kuo)形狀誤差(cha)和(he)(he)位(wei)置誤差(cha)。
形狀公差:是指單一實際要(yao)素(su)的形(xing)狀(zhuang)所允(yun)許的變動量。形(xing)狀(zhuang)公差帶(dai)的特點:不涉(she)及基準,它的方向和位置均是浮動的,只能控制(zhi)被測要(yao)素(su)形(xing)狀(zhuang)誤(wu)差的大小。
位置公差:是(shi)關聯(lian)實際要素的位(wei)(wei)置(zhi)對(dui)基(ji)準(zhun)所(suo)允許的變(bian)動(dong)全(quan)量(liang)。位(wei)(wei)置(zhi)公(gong)差是(shi)限(xian)制(zhi)被測要素對(dui)基(ji)準(zhun)要素所(suo)要求的幾何關系上的錯(cuo)誤。位(wei)(wei)置(zhi)公(gong)差又分為定向公(gong)差、定位(wei)(wei)公(gong)差、跳動(dong)公(gong)差。

注:詳細見《形狀和位置公差國家標準》

測量工具通常按用途分為通用測量工具、專類測量工具和專用測量工具3類。
測(ce)量(liang)工(gong)具(ju)還可按工(gong)作原理(li)分(fen)為(wei)機(ji)(ji)械、光(guang)(guang)學(xue)、氣動、電動和光(guang)(guang)電等(deng)類型(xing)。這種分(fen)類方(fang)(fang)法(fa)是由測(ce)量(liang)工(gong)具(ju)的(de)發(fa)展歷史形成(cheng)的(de)。但一些現代測(ce)量(liang)工(gong)具(ju)已經發(fa)展成(cheng)為(wei)同時采用(yong)精(jing)密機(ji)(ji)械、光(guang)(guang)、電等(deng)原理(li)并與電子計算機(ji)(ji)技術(shu)相結合的(de)測(ce)量(liang)工(gong)具(ju),因(yin)此,這種分(fen)類方(fang)(fang)法(fa)僅(jin)適用(yong)于工(gong)作原理(li)單一的(de)測(ce)量(liang)工(gong)具(ju)。
通用測量工具
可(ke)以(yi)測(ce)量(liang)(liang)(liang)多種類型工(gong)(gong)(gong)件的(de)長度(du)(du)(du)或角(jiao)(jiao)度(du)(du)(du)的(de)測(ce)量(liang)(liang)(liang)工(gong)(gong)(gong)具(ju)。這類測(ce)量(liang)(liang)(liang)工(gong)(gong)(gong)具(ju)的(de)品種規(gui)格最多,使用也最廣泛,有量(liang)(liang)(liang)塊(kuai)、角(jiao)(jiao)度(du)(du)(du)量(liang)(liang)(liang)塊(kuai)、多面棱體、正(zheng)弦規(gui)、卡尺、千分(fen)(fen)尺、百(bai)(bai)分(fen)(fen)表(見(jian)百(bai)(bai)分(fen)(fen)表和千分(fen)(fen)表)、多齒分(fen)(fen)度(du)(du)(du)臺、比(bi)較儀(yi)、激光測(ce)長儀(yi)、工(gong)(gong)(gong)具(ju)顯微(wei)鏡、三坐標測(ce)量(liang)(liang)(liang)機等。
專類測量工具
用(yong)于測(ce)量(liang)(liang)(liang)某一類幾何(he)參數、形(xing)狀和位置誤差(cha)(見(jian)(jian)(jian)形(xing)位公差(cha))等(deng)(deng)的測(ce)量(liang)(liang)(liang)工(gong)(gong)具。它可分為:①直線(xian)度和平面(mian)度測(ce)量(liang)(liang)(liang)工(gong)(gong)具,常見(jian)(jian)(jian)的有(you)直尺、平尺、平晶、水平儀(yi)(yi)、自準直儀(yi)(yi)等(deng)(deng);②表(biao)面(mian)粗(cu)(cu)糙度測(ce)量(liang)(liang)(liang)工(gong)(gong)具,常見(jian)(jian)(jian)的有(you)表(biao)面(mian)粗(cu)(cu)糙度樣塊(kuai)、光切顯微鏡、干涉顯微鏡和表(biao)面(mian)粗(cu)(cu)糙度測(ce)量(liang)(liang)(liang)儀(yi)(yi)等(deng)(deng)(見(jian)(jian)(jian)表(biao)面(mian)粗(cu)(cu)糙度測(ce)量(liang)(liang)(liang));③圓(yuan)度和圓(yuan)柱度測(ce)量(liang)(liang)(liang)工(gong)(gong)具,有(you)圓(yuan)度儀(yi)(yi)、圓(yuan)柱度測(ce)量(liang)(liang)(liang)儀(yi)(yi)等(deng)(deng)(見(jian)(jian)(jian)圓(yuan)度測(ce)量(liang)(liang)(liang));④齒(chi)輪(lun)測(ce)量(liang)(liang)(liang)工(gong)(gong)具,常見(jian)(jian)(jian)的有(you)齒(chi)輪(lun)綜合檢查儀(yi)(yi)、漸開(kai)線(xian)測(ce)量(liang)(liang)(liang)儀(yi)(yi)、周節測(ce)量(liang)(liang)(liang)儀(yi)(yi)、導(dao)程(cheng)儀(yi)(yi)等(deng)(deng)(見(jian)(jian)(jian)齒(chi)輪(lun)測(ce)量(liang)(liang)(liang));⑤螺紋(wen)測(ce)量(liang)(liang)(liang)工(gong)(gong)具(見(jian)(jian)(jian)螺紋(wen)測(ce)量(liang)(liang)(liang))等(deng)(deng)。
專用測量工具
僅適用(yong)于測(ce)量某特(te)定工件的尺(chi)寸(cun)、表(biao)面粗糙度、形狀(zhuang)和(he)位置(zhi)誤差等的測(ce)量工具。常見的有(you)自動(dong)檢(jian)(jian)驗機、自動(dong)分選機、單尺(chi)寸(cun)和(he)多尺(chi)寸(cun)檢(jian)(jian)驗裝置(zhi)(見自動(dong)測(ce)量)等。