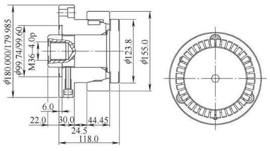
圖1所示為(wei)旋轉套(tao)筒組合件(jian)(jian),該(gai)零件(jian)(jian)具有尺寸精度要求高(gao)、薄(bo)壁易(yi)變形(xing)和裝配(pei)形(xing)位公差(cha)要求高(gao)的(de)特(te)點,且產品材料為(wei)難加工的(de)A100鋼,該(gai)產品是(shi)飛機起落架(jia)轉彎結構中的(de)重要零件(jian)(jian)。起落架(jia)在(zai)裝配(pei)時,經常出(chu)現(xian)轉彎性能(neng)達不(bu)到(dao)裝配(pei)要求的(de)情況(kuang),經分析主要問題在(zai)于旋轉套(tao)筒和扇形(xing)齒輪內、外圓不(bu)同軸,導致與外筒等(deng)發生嚴重干涉。通過反復論證,找到(dao)了解決旋轉套(tao)筒組合件(jian)(jian)超差(cha)的(de)方法。

圖1 旋轉(zhuan)套筒組合件

圖2 鏜工(gong)夾具裝夾方式(shi)
(1)基(ji)(ji)體加(jia)工(gong)(gong)。旋轉套(tao)筒熱處理后,車(che)工(gong)(gong)先(xian)加(jia)工(gong)(gong)外圓(yuan)(yuan)初(chu)基(ji)(ji)準,以外圓(yuan)(yuan)初(chu)基(ji)(ji)準來(lai)找正加(jia)工(gong)(gong)內孔尺(chi)寸(cun),再以內孔尺(chi)寸(cun)加(jia)工(gong)(gong)外圓(yuan)(yuan)φ221f7、φ216h8等尺(chi)寸(cun)。由于找正基(ji)(ji)準不統一(yi),且(qie)能找正的基(ji)(ji)準范圍小于加(jia)工(gong)(gong)區域,導致誤差累積,造成加(jia)工(gong)(gong)后配(pei)合部位內孔與外圓(yuan)(yuan)不同軸,部分工(gong)(gong)藝尺(chi)寸(cun)需要借加(jia)工(gong)(gong),很難(nan)保證產品加(jia)工(gong)(gong)質量。
(2)組合件加工(gong)。鉗工(gong)冷縮法安(an)(an)裝完襯套(tao)后,襯套(tao)內孔及端面(mian)(mian)留有0.5mm的加工(gong)余量(liang),需采用圖2所示裝夾方式進行內孔及端面(mian)(mian)的精加工(gong),但此時只能找正有加工(gong)余量(liang)的襯套(tao)內孔,無法復查零件外圓基準(zhun)情況,而襯套(tao)冷縮安(an)(an)裝有一定變形,導致基準(zhun)誤差的累(lei)積(ji),使產品的形位公差要求難(nan)以保證。
抽查3件組件進行計量,以內孔φ150H8、φ155+0.10 +0.04mm為基(ji)準(zhun),在基(ji)準(zhun)N、B圓度保證(zheng)的(de)情況下(xia),相關尺寸同軸度如(ru)附表所(suo)示。
由附(fu)表(biao)可(ke)見,零件組合件狀態下,同軸度(du)尺(chi)寸超(chao)差嚴重(zhong),無(wu)法滿足(zu)裝配(pei)需求,導致部分旋(xuan)轉(zhuan)套(tao)筒零件報廢。該產品僅(jin)模鍛件23萬元/件,給公司造成(cheng)較大的經濟(ji)損失(shi)。為解(jie)決此類(lei)問題(ti),制定了加工工藝解(jie)決方案,并對(dui)輔助夾具進(jin)行(xing)重(zhong)新設計(ji)和應用。
針對產品超差問題,分析旋轉套筒的加工流程及加工尺寸,選擇以基體底孔φ155+0.1+0mm尺(chi)寸(cun)為(wei)基準尺(chi)寸(cun),使用膨脹(zhang)心軸定位夾具,統一(yi)基體(ti)及組合件加工定位基準,盡可能減(jian)少誤(wu)差累積,制定以(yi)下改進方案。
(1)夾具設計及制造。為了提高φ155+0.1 +0mm孔與心(xin)(xin)軸(zhou)(zhou)的定位(wei)精(jing)度,采購了肯(ken)納公司φ155mm膨脹心(xin)(xin)軸(zhou)(zhou)(見圖3),由于該膨脹心(xin)(xin)軸(zhou)(zhou)定位(wei)精(jing)度高、重復裝夾誤差小,依據膨脹心(xin)(xin)軸(zhou)(zhou)使(shi)用(yong)要(yao)求自行設計、制造膨脹心(xin)(xin)軸(zhou)(zhou)基礎板(見圖4),用(yong)來安裝φ155mm膨脹心(xin)(xin)軸(zhou)(zhou)(見圖5)。
夾(jia)具要(yao)求:φ155mm膨脹心軸(zhou)定位(wei)部(bu)分(fen)與基礎板φ305mm同(tong)軸(zhou)度≤0.02mm,φ155mm定位(wei)心軸(zhou)與底面的(de)垂(chui)直度≤0.02mm,并保證在φ305mm與找(zhao)正(zheng)端面P跳動≤0.03mm時,φ155mm定位(wei)心軸(zhou)跳動≤0.01mm。
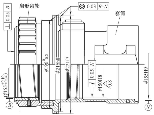
(2)基體加工工藝改進。熱處理后首先找正零件外圓基準,加工如圖6所示的右側φ155H9(
)mm內孔及端面,再以φ155H9(+0.1 +0)mm內(nei)孔及端(duan)面(mian)定位,使(shi)用φ155mm膨脹心軸加(jia)工(gong)零件左側內(nei)、外圓(yuan)尺寸(cun)。這(zhe)樣加(jia)工(gong)既保證(zheng)了加(jia)工(gong)基準(zhun)的(de)統一,又保證(zheng)了零件裝夾、找正的(de)準(zhun)確和便捷(jie)。
車工使用(yong)夾具如圖7所(suo)示,數控(kong)鏜使用(yong)夾具如圖8所(suo)示,均只需一次性找(zhao)正(zheng)好(hao)夾具,僅(jin)對零件進(jin)行更換(huan)即可,產品的裝夾找(zhao)正(zheng)變得很(hen)方便,產品質量也得到了有效控(kong)制。
檢(jian)測結果 (單位(wei):mm)

零件編號 φ150H8圓度 φ155+0.10+0.04mm圓度φ221f7處同軸度φ216h8處同軸度φ196-0 -0.2mm處(chu)同軸度1 0.006 0.003 0.11 0.12 0.11 2 0.007 0.004 0.14 0.14 0.12 3 0.005 0.003 0.08 0.09 0.07

圖4 膨脹心軸基礎板

圖5 夾具

圖3 膨脹(zhang)心軸裝配圖

圖6 旋轉套筒尺寸
(3)組合件加工工藝改進。如圖9所示,基準N處襯套先不安裝,用于φ155mm膨脹心軸裝夾定位,復查φ221f7處外圓跳動≤0.02mm,車工先加工襯套孔φ155+0.10 +0.04mm、φ150H8(+0.063 +0 )mm及襯套端面;鉗工再安裝基準N處襯套,以前面車工加工的襯套孔φ155+0.10 +0.04mm定位,使用φ155mm膨脹心軸加工基準N處φ150H9(+0.1 +0)mm襯(chen)套孔及襯(chen)套端(duan)面。保證了(le)襯(chen)套孔加工與(yu)基體加工基準的統一,零件裝夾、找正(zheng)準確和便捷。
通過改進工藝和(he)夾具,使(shi)旋轉套筒組合件(jian)質量(liang)完全滿(man)足(zu)圖樣要(yao)求,產品(pin)質量(liang)穩(wen)定(ding),加工效率也大(da)幅提高(gao)(gao),徹底解決了該(gai)起落(luo)架轉彎(wan)性(xing)能不(bu)易達到裝配要(yao)求的(de)(de)難題,保(bao)證了轉彎(wan)機構(gou)運動的(de)(de)靈活性(xing),且(qie)提高(gao)(gao)了該(gai)結構(gou)零件(jian)的(de)(de)互換性(xing),減少了零件(jian)的(de)(de)選配和(he)修(xiu)配環節(jie),為(wei)起落(luo)架同(tong)構(gou)型的(de)(de)制造提供了參考。

圖7 車工加工

圖8 數控鏜加工

圖9 基(ji)準N孔處不壓裝襯套示意