鈑(ban)金加工是針對金屬(shu)薄(bo)板(通常在6mm以下(xia))的(de)一種(zhong)綜合冷加工工藝,包括剪切,沖(chong)裁,折彎,焊接(jie),鉚接(jie),模(mo)具(ju)成型及(ji)表面處(chu)理等。其其顯著的(de)特征就是同一零件厚度一致。
非(fei)模具加(jia)工(gong):通過數沖(chong)、激光切割、剪板機、折彎機、鉚釘機等設備對(dui)鈑金(jin)進行的工(gong)藝方式,一般用于樣品制作或(huo)小(xiao)批量生產,成(cheng)本較高。加(jia)工(gong)周期短,反應迅速。
模(mo)(mo)具加(jia)工(gong):通過固定的模(mo)(mo)具,對鈑金進行加(jia)工(gong),一般有下料模(mo)(mo),成型模(mo)(mo),主要(yao)用于(yu)大(da)批量(liang)生產(chan),成本(ben)較低。前(qian)期模(mo)(mo)具成本(ben)高,零件質量(liang)有保證。前(qian)期加(jia)工(gong)周期長,模(mo)(mo)具成本(ben)高。
下(xia)料:數沖、激光(guang)切割、剪板機
成型-折彎、拉(la)伸、沖(chong)孔:折彎機、沖(chong)床等
其他加工:壓鉚、攻牙等
焊接(jie):鈑(ban)金的連(lian)接(jie)方(fang)式
表(biao)面處理(li):噴(pen)粉、電鍍、拉絲(si)、絲(si)印(yin)等
鈑金的下料方(fang)式主要有數(shu)沖、激光切(qie)割(ge)、剪板機(ji)、模具下料等,數(shu)控為目前(qian)常用方(fang)式,激光切(qie)割(ge)多用于打樣階段(也可加工(gong)(gong)不銹鋼鈑金件),加工(gong)(gong)費用高,模具下料多用于大批量加工(gong)(gong)。
下(xia)面我們主要(yao)以數沖來(lai)介紹(shao)鈑金(jin)的下(xia)料.
數(shu)沖又叫轉(zhuan)塔數(shu)控(kong)沖床,可(ke)用來下料、沖孔、拉(la)伸孔、滾筋、沖百葉窗等,其加(jia)工精度(du)可(ke)達+/-0.1mm。
數控可加工的板材厚(hou)度為:
冷軋(ya)板、熱軋(ya)板 ≤4.0mm
鋁(lv)板 ≤5.0mm
不銹鋼板 ≤2.0mm

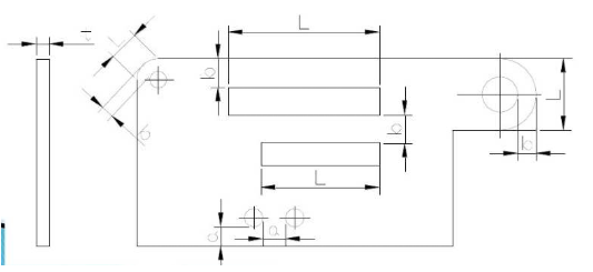
沖孔有最(zui)小尺(chi)寸要求。沖孔最(zui)小尺(chi)寸與孔的形狀、材(cai)料機械性(xing)能和材(cai)料厚度(du)有關。(如下圖(tu))

2.數沖的(de)孔間距與孔邊距。零件的(de)沖孔邊緣離外(wai)(wai)形的(de)最小(xiao)(xiao)距離隨零件外(wai)(wai)形邊緣不(bu)平行時(shi),該最小(xiao)(xiao)距離應不(bu)小(xiao)(xiao)于(yu)材料(liao)厚度(du)t;平行時(shi),應不(bu)小(xiao)(xiao)于(yu)1.5t。(如下(xia)圖(tu))

3.拉(la)伸(shen)孔(kong)時(shi),拉(la)伸(shen)孔(kong)離(li)邊緣最(zui)小(xiao)(xiao)距(ju)離(li)為3T,兩(liang)個拉(la)伸(shen)孔(kong)之間的(de)最(zui)小(xiao)(xiao)距(ju)離(li)為6T,拉(la)伸(shen)孔(kong)離(li)折彎邊(內)的(de)最(zui)小(xiao)(xiao)安(an)全距(ju)離(li)為3T+R(T為鈑金厚(hou)度,R為折彎圓角)

4.拉(la)伸折(zhe)彎件及拉(la)深(shen)件沖孔(kong)時,其孔(kong)壁(bi)與(yu)直壁(bi)之間應保持一定的距離。(如(ru)下圖)

鈑(ban)金(jin)的成型主要是(shi)鈑(ban)金(jin)的折彎(wan)、拉伸。
1.1 鈑金的折(zhe)彎(wan)主要使(shi)用折(zhe)彎(wan)機床。
折床的加工精度;
一折:+/- 0.1mm
二折:+/- 0.2mm
二折以(yi)上:+/- 0.3mm
1.2 折(zhe)彎(wan)(wan)加工順序(xu)的(de)基本原則:由(you)內到外進行折(zhe)彎(wan)(wan),由(you)小到大進行折(zhe)彎(wan)(wan),先折(zhe)彎(wan)(wan)特殊形狀,前工序(xu)成型后(hou)對(dui)后(hou)繼工序(xu)不產生(sheng)影響或(huo)干涉。

1.3 常見折彎刀形狀(zhuang):

常見V槽形狀:

1.4 折彎件的(de)最(zui)小彎曲半(ban)徑:
材(cai)料彎(wan)曲時,其圓(yuan)角區上(shang),外(wai)(wai)層(ceng)受到拉伸(shen)(shen),內(nei)層(ceng)則受到壓(ya)縮。當材(cai)料厚度一定(ding)時,內(nei)r越小(xiao),材(cai)料的(de)拉伸(shen)(shen)和壓(ya)縮就(jiu)越嚴(yan)重;當外(wai)(wai)層(ceng)圓(yuan)角的(de)拉伸(shen)(shen)應力(li)超過材(cai)料的(de)極限強度時,就(jiu)會產生裂縫和折(zhe)斷(duan),因此,彎(wan)曲零件的(de)結構設計,應避免過小(xiao)的(de)彎(wan)曲圓(yuan)角半徑。公司常用材(cai)料的(de)最小(xiao)折(zhe)彎(wan)半徑見下表。

折(zhe)彎(wan)件的最小彎(wan)曲半(ban)徑表:

彎曲(qu)半徑是指(zhi)彎曲(qu)件的內(nei)側半徑,t是材料的壁厚(hou)。
1.5 折彎件(jian)的直(zhi)邊高度(du):
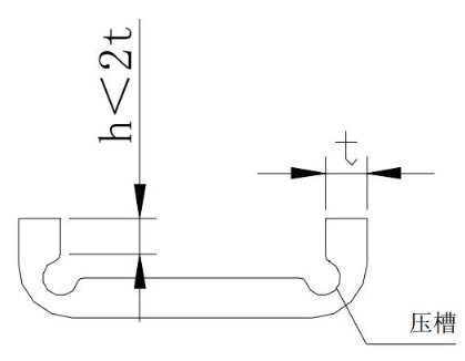
一般情況下的最(zui)小(xiao)(xiao)直邊高度不宜太小(xiao)(xiao),最(zui)小(xiao)(xiao)高度要求:h〉2t

如(ru)果需(xu)(xu)要彎曲(qu)件的直邊高度h≤2t,則(ze)首先要加(jia)大彎邊高度,彎好后再加(jia)工到需(xu)(xu)要尺寸;或者在彎曲(qu)變形區內加(jia)工淺(qian)槽(cao)后,在折(zhe)彎。

1.6 彎邊側邊帶有斜角的最小(xiao)折(zhe)彎直邊高度(du):
當彎邊(bian)側(ce)(ce)邊(bian)帶有(you)斜(xie)角的彎曲件時,側(ce)(ce)面的最(zui)小(xiao)高度為:h=(2~4)t>3mm

1.7 折彎件上的孔邊距:
孔(kong)邊距:先(xian)沖孔(kong)后(hou)折彎,孔(kong)的位置(zhi)應處于彎曲變(bian)形區外,避免彎曲時(shi)孔(kong)會產(chan)生變(bian)形。孔(kong)壁(bi)至彎邊的距離見下(xia)表。

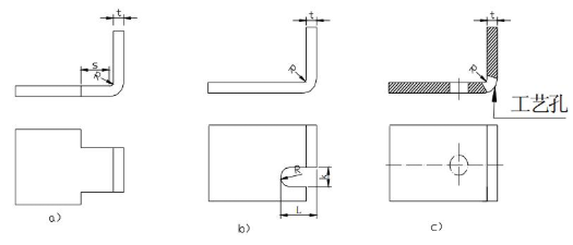
1.8 局部彎曲的工藝(yi)切(qie)口:
折彎(wan)件的(de)彎(wan)曲線(xian)應(ying)避開尺(chi)寸突變(bian)的(de)位置(zhi)。局部彎(wan)曲某一段邊緣時,為(wei)了防止尖(jian)角出應(ying)力集中產生彎(wan)裂,可(ke)將(jiang)彎(wan)曲線(xian)移動一定距離,以離開尺(chi)寸突變(bian)處(chu)(圖a),或(huo)開工(gong)藝槽(cao)(圖b),或(huo)沖工(gong)藝孔(kong)(圖c)。注意(yi)圖中的(de)尺(chi)寸要求:S≥R;槽(cao)寬k≥t;槽(cao)深L≥t+R+k/2。

1.9 帶斜邊的折(zhe)彎邊應避(bi)開(kai)變形區:

1.10 鈑(ban)金褶邊(打(da)死(si)邊)的(de)設計(ji)要求:
鈑(ban)金(jin)褶邊的(de)死(si)邊長度與材(cai)料(liao)的(de)厚度有關。如下(xia)圖所示,一般死(si)邊最小長度L≥3.5t+R。
其中(zhong)t為材料(liao)壁(bi)厚,R為打死邊前道(dao)工序(如下圖(tu)右所示)的(de)最(zui)小(xiao)內折彎半(ban)徑。

1.11 添加的工藝定位孔:
為保(bao)證(zheng)毛(mao)坯(pi)在模(mo)具(ju)中準確定位(wei),防止彎曲時(shi)毛(mao)坯(pi)偏(pian)移而產(chan)生廢品,應預先在設計(ji)時(shi)添(tian)加工(gong)藝定位(wei)孔(kong),如(ru)下圖所(suo)示。特別是多次彎曲成型的零(ling)件,均必須以(yi)工(gong)藝孔(kong)為定位(wei)基準,以(yi)減少累計(ji)誤(wu)差(cha),保(bao)證(zheng)產(chan)品質量(liang)。

1.12 標注彎曲件(jian)相(xiang)關(guan)尺寸時,要考慮工藝性:

如上圖所示(shi)所示(shi), a)先沖(chong)孔后折彎,L尺寸精度容易保證,加工方便。b)和(he)c)如果尺寸L精度要求高,則需要先折彎后加工孔,加工麻(ma)煩。
1.13 彎曲件的回彈影響回彈的因素很多,包括:材料的機械性能、壁厚、彎曲半徑以及彎曲時的正壓力等。折彎件的內圓角半徑與板厚之比越大,回彈就越大。從設計上抑制回彈的方法示例
彎曲(qu)件的(de)(de)回(hui)彈,目前主(zhu)要是(shi)由(you)生產廠家在模具設(she)計(ji)時(shi),采取一定的(de)(de)措施進(jin)行規避。同時(shi),從設(she)計(ji)上改(gai)進(jin)某些結構促使回(hui)彈角簡少如下圖所示:在彎曲(qu)區壓制(zhi)加強筋,不僅可(ke)以提高(gao)工件的(de)(de)剛度,也(ye)有利于抑制(zhi)回(hui)彈。

鈑金的拉(la)伸(shen)主要(yao)(yao)由數控或(huo)普沖完成,需要(yao)(yao)各種拉(la)伸(shen)沖頭或(huo)模具(ju)。
拉伸件形狀應(ying)盡(jin)量(liang)簡單、對稱,盡(jin)可能(neng)一次(ci)拉伸成形。
需(xu)多次拉伸的(de)零件,應允許表面在拉伸過程中可能產(chan)生的(de)痕跡。
在(zai)保證裝配要求的(de)前提下,應(ying)該(gai)允許拉伸側壁(bi)有一定的(de)傾斜度。
2.1 拉伸(shen)件底(di)部與直壁之(zhi)間的圓(yuan)角半(ban)徑大小要求:
如下圖所示,拉伸件底部與直壁之間的圓角半徑應大于板厚,即r1≥t。為了使拉伸進行的更順利,一般取r1=(3~5)t,最大圓角半徑應小于或等于板厚的8倍,即r1≤8t。

2.2 拉伸件凸(tu)緣與壁之(zhi)間的圓角半(ban)徑
拉伸件凸緣與壁之間的圓角半徑應大于板厚的2倍,即r2≥2t,為了使拉伸進行得更順利,一般取r2=(5~10)t,最大凸緣半徑應小于或等于板厚的8倍,即r2≤8t。(參(can)見上圖)
2.3 圓形(xing)拉伸件(jian)的內腔直徑
圓形拉伸件(jian)的內腔直徑應取D ≥d+10t,以便在拉伸時壓板壓緊不致起皺。(參(can)見上圖)
2.4 矩形(xing)拉伸件(jian)相鄰兩壁間(jian)的(de)圓角半徑
矩形拉伸件相鄰兩壁間的圓角半徑應取r3 ≥3t,為了減少拉伸次數應盡可能取r3 ≥H/5,以便一(yi)次拉出來。

2.5 圓形無凸緣拉伸(shen)件一次(ci)成形時(shi),其高度與直徑的尺寸關系(xi)要求
圓形無(wu)凸(tu)緣拉伸件一次成(cheng)形時(shi),高度(du)H和直徑(jing)d之(zhi)比應小于(yu)(yu)或等于(yu)(yu)0.4,即H/d ≤0.4,如下圖所(suo)示。

2.6 拉伸件材料的厚度變化:
拉伸件由(you)于各(ge)處(chu)所受(shou)應力大小(xiao)各(ge)不相(xiang)同,使拉伸后的(de)(de)材(cai)料(liao)厚(hou)度發生變化。一般來(lai)說(shuo),底部中央保持原來(lai)的(de)(de)厚(hou)度,底部圓角處(chu)材(cai)料(liao)變薄,頂(ding)部靠近(jin)凸緣處(chu)材(cai)料(liao)變厚(hou),矩形(xing)拉伸件四周圓角處(chu)材(cai)料(liao)變厚(hou)。
2.7 拉伸件產(chan)品尺(chi)寸的標注(zhu)方法
在(zai)設計拉伸產(chan)品時(shi),對(dui)產(chan)品圖上的尺(chi)寸應明確注明必(bi)須保證外部尺(chi)寸或內部尺(chi)寸,不能同時(shi)標注內外尺(chi)寸。
2.8 拉伸(shen)件尺寸公差的標注方法(fa)
拉伸(shen)件凹凸(tu)圓弧(hu)的(de)內半徑以及一(yi)次成(cheng)形(xing)(xing)的(de)圓筒形(xing)(xing)拉伸(shen)件的(de)高度尺寸(cun)公差為雙面對稱(cheng)偏差,其偏差值為國標(GB)16級精度公差絕對值的(de)一(yi)半,并冠以±號。
加強筋--在板(ban)狀金屬零件上壓筋,有助于增加結(jie)構剛性(xing)。
百(bai)葉窗(chuang)--百(bai)葉窗(chuang)通常(chang)用于各種罩殼或機殼上起通風散熱作用。
孔翻邊(拉伸(shen)孔)--用以加(jia)工螺紋(wen)或提高孔口的剛性。
3.1 加強筋:
加強筋結(jie)構及其尺寸選擇(ze)

打凸間距和凸邊距的極限(xian)尺寸按下表選取(qu)。

3.2 百葉窗
百葉窗成型(xing)方法是借凸(tu)模的(de)一邊刃口將材料切(qie)開(kai),而凸(tu)模的(de)其余(yu)部分將材料同(tong)時作(zuo)拉(la)伸變形,形成一邊開(kai)口的(de)起伏形狀。
百葉窗的典型結構(gou)參見下(xia)圖

百(bai)葉窗尺寸要求:a≥4t;b≥6t;h≤5t;L≥24t;r≥0.5t。
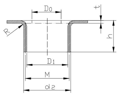
3.3 孔翻(fan)邊(拉伸孔)
孔(kong)翻邊形式較多,常(chang)見的(de)是(shi)要加工螺紋的(de)內孔(kong)翻邊。



鈑金上(shang)輔件(jian)的鉚(liu)接,如鉚(liu)螺(luo)母、鉚(liu)螺(luo)柱、鉚(liu)導向(xiang)柱等。

2.鈑(ban)金上螺紋孔的攻牙(ya)。
鈑金板厚t<1.5時(shi),采用(yong)翻邊攻牙。鈑金厚度t≥1.5時(shi),可采用(yong)直接攻牙。
在(zai)鈑金(jin)焊接(jie)結構(gou)設計時,應(ying)該貫(guan)徹“對稱布(bu)置焊縫(feng)、焊點(dian),并避免匯交、聚集、重疊,次要的焊縫(feng)、焊點(dian)可中斷(duan),主要的焊縫(feng)、焊點(dian)應(ying)連接(jie)。”
鈑金中常用(yong)焊(han)接有電弧焊(han),電阻焊(han)等。
鈑金間要有足夠的焊接空間,焊接間隙(xi)最大應在0.5~0.8mm,焊縫(feng)要均勻平(ping)整(zheng)。

焊接面要求(qiu)平整,無(wu)皺(zhou)褶、回(hui)彈等。
電阻焊的尺寸如下表(biao):

電阻焊點間距
在實際應用(yong)中,焊接(jie)小(xiao)零件時,可參考(kao)下(xia)表數據。
在焊接(jie)大尺寸零件時(shi),點距(ju)可適當(dang)加大,一般不小于40-50mm,非受力部位,焊點間距(ju)可放(fang)大到(dao)70-80mm。
板(ban)(ban)厚(hou)t、焊點(dian)直(zhi)徑(jing)(jing)d、最小(xiao)焊點(dian)直(zhi)徑(jing)(jing)dmin、焊點(dian)間(jian)的(de)最小(xiao)距離(li)e,若板(ban)(ban)材為不同厚(hou)度組合(he),按最薄板(ban)(ban)選(xuan)取(qu)。

電阻焊板材層數及料厚(hou)比(bi)
電阻點焊的板材(cai)一般為(wei)2層(ceng)(ceng)(ceng),最多3層(ceng)(ceng)(ceng),焊接(jie)頭各層(ceng)(ceng)(ceng)的板材(cai)厚(hou)度比(bi)應在1/3~3之間。
如確(que)需3層(ceng)板焊(han)接(jie)(jie),應先檢查料(liao)厚比,如合理(li)可焊(han)接(jie)(jie),如果不合理(li),應考慮開(kai)工(gong)藝孔或工(gong)藝缺(que)口,2層(ceng)焊(han)接(jie)(jie),錯(cuo)開(kai)焊(han)接(jie)(jie)點。
這里主(zhu)要(yao)介紹(shao)鈑金在加工過程(cheng)中的連接方式,主(zhu)要(yao)有鉚釘(ding)鉚合(he)、焊接(上面(mian)已述)、抽孔(kong)鉚合(he)、TOX鉚合(he)。
這(zhe)種(zhong)鉚(liu)(liu)釘(ding)(ding)常(chang)稱(cheng)為(wei)拉釘(ding)(ding),將兩塊板材通(tong)過拉釘(ding)(ding)鉚(liu)(liu)合在一起稱(cheng)之為(wei)拉鉚(liu)(liu),常(chang)見(jian)鉚(liu)(liu)合形狀如圖:

其中(zhong)的一零件為抽(chou)孔,另一零件為沉孔,通過(guo)鉚合摸使之成(cheng)為不可拆(chai)卸(xie)的連(lian)接(jie)體。
優越性:抽孔與其相(xiang)配合的沉(chen)孔的本身具有定位功能。鉚合強(qiang)度高,通(tong)過模具鉚合效(xiao)率也比較高。

通過簡單(dan)的(de)凸模將被(bei)連(lian)接件壓(ya)(ya)進凹(ao)模。在進一步的(de)壓(ya)(ya)力作用下,是(shi)凹(ao)模內的(de)材(cai)料(liao)向(xiang)外“流動”。結果產生(sheng)一個既無(wu)棱角,又無(wu)毛刺(ci)的(de)圓(yuan)連(lian)接點(dian),而(er)且不會影響其抗腐(fu)蝕性(xing)(xing),即使對表面有鍍層(ceng)或噴漆(qi)層(ceng)的(de)板件也同樣能保留原有的(de)防(fang)銹防(fang)腐(fu)特性(xing)(xing),因為鍍層(ceng)和漆(qi)層(ceng)和板件也同樣能保留原有的(de)防(fang)銹防(fang)腐(fu)特性(xing)(xing),因為鍍層(ceng)和漆(qi)層(ceng)也是(shi)隨之一起變形(xing)流動。材(cai)料(liao)被(bei)擠(ji)向(xiang)兩邊,擠(ji)進靠(kao)凹(ao)模側的(de)板件中,從而(er)形(xing)成TOX連(lian)接圓(yuan)點(dian)。如下圖所示:

對鈑金表(biao)面進行處理可以起到防(fang)腐保護(hu)和裝飾作用(yong)。鈑金常(chang)見的(de)表(biao)面處理有:粉末(mo)噴涂、電鍍鋅、熱浸鋅、表(biao)面氧化(hua)、表(biao)面拉絲、絲印等。
對鈑金進行表面處理前應清除鈑金表面的油污、銹跡(ji)、焊渣等(deng)。
鈑金(jin)(jin)的(de)表(biao)面噴(pen)涂(tu)有(you)液體和粉末(mo)漆(qi)兩種(zhong),我們常用的(de)是粉末(mo)漆(qi).通(tong)過(guo)噴(pen)粉、靜電吸附、高溫(wen)烘烤等方式,在鈑金(jin)(jin)表(biao)面噴(pen)上(shang)一層各種(zhong)顏色的(de)涂(tu)料,用來美(mei)化外觀,且能(neng)增加材料的(de)防腐蝕性能(neng)。是常用的(de)表(biao)面處理方式。
注:不同廠家噴涂出的顏色(se)多少(shao)會存在(zai)一(yi)定色(se)差,所以同一(yi)臺設備(bei)的同一(yi)顏色(se)的鈑金應盡量在(zai)同一(yi)廠家噴涂。
鈑金的(de)(de)表面鍍鋅(xin)(xin)是(shi)常(chang)用的(de)(de)表面防腐處理方法,且能起到一(yi)定的(de)(de)美化外觀作(zuo)用。鍍鋅(xin)(xin)可分為電鍍鋅(xin)(xin)和熱浸鋅(xin)(xin)。
電(dian)鍍(du)鋅(xin)的外觀比較(jiao)光亮平整,鍍(du)鋅(xin)層(ceng)較(jiao)薄,較(jiao)為(wei)常用。
熱(re)浸鋅的鍍鋅層較(jiao)厚(hou),且可(ke)產生(sheng)鐵鋅合金(jin)層,抗(kang)腐蝕(shi)能(neng)力強(qiang)于電鍍鋅。
這里主(zhu)要介紹一下鋁和鋁合金的表面陽極(ji)氧化(hua)。
鋁和(he)鋁合(he)金(jin)的(de)表面(mian)(mian)陽極(ji)(ji)氧(yang)化(hua)(hua)可以氧(yang)化(hua)(hua)成各種(zhong)顏色(se),起到防護(hu)作用又(you)(you)有(you)很好(hao)的(de)裝飾作用。同(tong)時(shi)可以在材料的(de)表面(mian)(mian)產生陽極(ji)(ji)氧(yang)化(hua)(hua)膜(mo),陽極(ji)(ji)氧(yang)化(hua)(hua)膜(mo)有(you)較高的(de)硬度和(he)耐磨性(xing),又(you)(you)有(you)良好(hao)的(de)電(dian)絕(jue)緣(yuan)性(xing)和(he)絕(jue)熱性(xing)。
將材料(liao)放(fang)在拉絲機的上下(xia)輥(gun)輪(lun)之間,輥(gun)輪(lun)上附著有砂帶,通過電機帶動,讓材料(liao)通過上下(xia)砂帶,在材料(liao)表面(mian)拉出一道道痕跡,根(gen)據砂帶的不(bu)同(tong),痕跡粗細也不(bu)相(xiang)同(tong),主要作用是美化外觀。一般(ban)都是鋁材才考(kao)慮用拉絲的表面(mian)處理方式。
在材(cai)料表面(mian)絲(si)印(yin)上(shang)(shang)各種(zhong)標識的(de)工藝(yi),一般有平(ping)板絲(si)印(yin)和移印(yin)兩種(zhong)方式,平(ping)板絲(si)印(yin)主(zhu)要(yao)用于一般平(ping)面(mian)上(shang)(shang),但如果遇上(shang)(shang)有較深(shen)的(de)凹坑的(de)地方,就需要(yao)用到移印(yin)。
絲印須有絲印模。
參考附件:
GBT13914-2002 沖壓件尺寸公差
GBT13915-2002-T 沖壓件角度公差
GB-T15005-2007 沖(chong)壓件(jian)未注公差極限偏(pian)差
GB-T 13916-2002 沖壓件形狀和(he)位置未注公(gong)差
常見鈑金設備加工(gong)范圍
