生(sheng)產實(shi)踐中(zhong),許多(duo)零件是由多(duo)個部(bu)分組焊,再經機械加工而成,而這(zhe)些零件組焊后往(wang)往(wang)形狀不規則,在實(shi)際加工中(zhong)會出現定位基(ji)準不易確定,找(zhao)正、裝(zhuang)夾困難的情(qing)況。
蓄能(neng)器本(ben)體(ti)就是(shi)一(yi)(yi)種典型的(de)(de)(de)組焊異形零(ling)件。本(ben)文通過分析該產品的(de)(de)(de)零(ling)件結構及加(jia)工(gong)(gong)難點(dian),制(zhi)定加(jia)工(gong)(gong)工(gong)(gong)藝流程,確定加(jia)工(gong)(gong)方案(an),通過加(jia)工(gong)(gong)順序和工(gong)(gong)藝流程的(de)(de)(de)優化、生(sheng)產設備的(de)(de)(de)合理(li)選用、加(jia)工(gong)(gong)工(gong)(gong)序的(de)(de)(de)對(dui)比(bi)、工(gong)(gong)裝的(de)(de)(de)設計以及加(jia)工(gong)(gong)中工(gong)(gong)裝設計的(de)(de)(de)改進(jin),達到一(yi)(yi)次(ci)性保證(zheng)零(ling)部(bu)件所有(you)加(jia)工(gong)(gong)要(yao)素、尺寸精度和幾何公差的(de)(de)(de)要(yao)求。
通過(guo)上述建立的滲流(liu)計算(suan)網(wang)格模型、定義的滲流(liu)計算(suan)參(can)數以及設置(zhi)的初(chu)始條(tiao)件和(he)邊界條(tiao)件,計算(suan)得出各工況的滑(hua)坡地下水(shui)浸潤線,見圖8和(he)圖9。
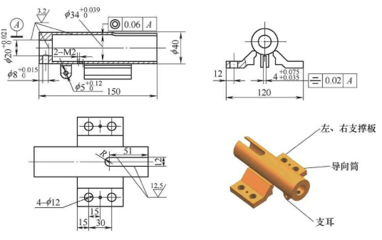
(1)零件結構。蓄能器本(ben)體由導(dao)向筒(tong)、左支(zhi)撐板、右支(zhi)撐板和(he)支(zhi)耳4部分組焊而成,其(qi)外形與飛機(ji)相似,如圖1所示。

圖1 蓄(xu)能(neng)器本體結構
底部(bu)支(zhi)耳(er)為“前輪”,左、右(you)支(zhi)撐(cheng)板(ban)(ban)為兩“側翼”,中(zhong)間導向(xiang)筒(tong)(tong)回轉部(bu)分(fen)(fen)為“機身(shen)”。導向(xiang)筒(tong)(tong)為臺階式薄壁空心桿,長(chang)度150mm,外圓直徑40mm,內孔直徑34mm。左、右(you)支(zhi)撐(cheng)板(ban)(ban)分(fen)(fen)別焊(han)接在導向(xiang)筒(tong)(tong)兩側且(qie)間距尺(chi)寸為120mm,支(zhi)耳(er)焊(han)接在導向(xiang)筒(tong)(tong)回轉體正中(zhong)間。
(2)加(jia)工難(nan)點(dian)。蓄能器本(ben)體(ti)為手工組焊(han)(han)件,焊(han)(han)接過程中各組件定位偏差(cha)較大,焊(han)(han)后(hou)存在焊(han)(han)接變形,且(qie)該件組焊(han)(han)完(wan)成后(hou)需進行表(biao)面噴砂(sha)處理,噴砂(sha)處理后(hou)產品表(biao)面粗糙(cao)度增大,導致機(ji)械加(jia)工過程中出現定位基準不(bu)易確定、找正和裝夾困難(nan)的問題(ti),很難(nan)保證尺(chi)寸加(jia)工精度和幾何公差(cha)要求。
根據設計要求,如圖1所示,在回轉體0°、90°和180°方向分別都有加工要素,其中在支耳方向加工要素居多,且關鍵尺寸較為集中,因此將支耳設為0°方向。導向筒回轉部分180°方向設計有長51mm、寬12mm槽,支耳處加工通槽寬為4+0.075 +0.035mm,在保留焊縫的前提下加工完成支耳外形,保證支耳厚度為12mm,并制成孔φ8+0.015 +0 mm和2-M2螺紋通孔,保證孔φ8+0.015 +0 mm、支耳通槽寬為4+0.075 +0.035m m且對稱度為0.02mm;在90°方向支耳側面進行孔φ5+0.012 +0 mm加工,并確保與孔φ8+0.015 +0mm尺寸26±0.1mm和導向筒中心位置32m m,并在左、右斜板處加工制成4-M5、4-φ12mm孔,保證(zheng)相關位置尺寸65.5mm、45mm和45mm。
根據(ju)(ju)地震資料,通(tong)過反演提取(qu)(qu)出各項屬性進行分析。由(you)于(yu)(yu)反演存在多解性,所(suo)以(yi)需要(yao)鄰井資料加以(yi)約(yue)束。由(you)于(yu)(yu)傳統流程成像能力不足,對(dui)復(fu)雜(za)地表條(tiao)件、干擾類型多樣、速度變化(hua)劇烈的(de)區域(yu),信息(xi)搜集效(xiao)果有限。采取(qu)(qu)的(de)措(cuo)施是增(zeng)加對(dui)井信息(xi)的(de)搜集,同時對(dui)構(gou)造(zao)質控等(deng)進行融合精(jing)細處(chu)(chu)理(li),對(dui)多方(fang)面的(de)資料進行反復(fu)論證,這樣可(ke)以(yi)有效(xiao)地進行參數(shu)(shu)處(chu)(chu)理(li)和方(fang)案選(xuan)取(qu)(qu),實現資料品質的(de)提升。根據(ju)(ju)淺水流砂(sha)體(ti)的(de)地球物理(li)屬性特(te)征,結合區域(yu)內(nei)鉆井數(shu)(shu)據(ju)(ju)的(de)約(yue)束,可(ke)以(yi)識別并預(yu)測潛在淺水流砂(sha)體(ti)的(de)分布特(te)征。預(yu)測方(fang)式(shi)示意圖(tu)見圖(tu)2。
由于該零件支耳、孔φ8+0.015 +0 mm、2-M2螺紋通孔要與杠桿、鎖軸、鎖軸銷和銷軸組裝后進行靈活可靠運動,要求無卡滯現象,如圖2所示,所以圖1中支耳外形12mm、槽4+0.075 +0.035mm、φ8+0.015 +0 mm和2-M2螺紋通孔、支耳側面孔φ5+0.012 +0 mm成為該產品的加工難點。
錦鯉(li),本是一種高檔觀賞(shang)魚。2018年國慶(qing)期間,支付寶官方(fang)微博推出(chu)尋(xun)找“中國錦鯉(li)”轉發抽(chou)獎(jiang)活動,贈予中獎(jiang)者(zhe)包(bao)(bao)括旅行、餐飲、美容(rong)在內的(de)(de)“中國錦鯉(li)全球免單大禮包(bao)(bao)”。這引(yin)發網友瘋狂(kuang)轉發。“錦鯉(li)”一詞也(ye)因(yin)此走紅(hong),成(cheng)為(wei)“好運(yun)”的(de)(de)象征。
高職酒店(dian)英語教學內容(rong)必須(xu)以酒店(dian)的(de)核心工作和(he)任務為基礎,構建任務型教學模式,把教學和(he)實踐有(you)機結合起來(lai)。可以按(an)照以下內容(rong)來(lai)設計教學模塊:核心崗位—典型作業任務—具體(ti)工作項目。

圖2 蓄能器裝配示(shi)意
1.鎖(suo)軸(zhou)銷 2.鎖(suo)軸(zhou) 3.杠(gang)桿 4.銷軸(zhou)
因(yin)該零件在回(hui)轉體多個方向(xiang)有加(jia)(jia)工(gong)(gong)要(yao)素,且(qie)加(jia)(jia)工(gong)(gong)要(yao)素分散在4個組(zu)焊件中,必須合(he)理安排加(jia)(jia)工(gong)(gong)流程,結合(he)實際加(jia)(jia)工(gong)(gong)經驗和該產品復雜結構,確(que)定加(jia)(jia)工(gong)(gong)工(gong)(gong)藝(yi)流程。
(1)加工順序。0°方向為第1加工點(加工支耳厚度12mm、支耳通槽寬4+0.075+0.035mm、制成孔φ8+0.015 +0 mm和2-M2螺紋通孔、制成左和右斜板處4-M5孔以及4-φ12mm孔),90°方向為第2加工點(加工支耳側面孔φ5+0.012 +0m m,并確保與孔φ8+0.015 +0 mm、尺寸26±0.1mm和導向筒中心位置32m m尺寸要求),180°方向為第3加(jia)工(gong)點(dian)(長51mm、寬12mm環形槽)。
(2)加(jia)(jia)工(gong)(gong)(gong)方(fang)案(an)。加(jia)(jia)工(gong)(gong)(gong)方(fang)案(an)1:選用(yong)三軸立式加(jia)(jia)工(gong)(gong)(gong)中心,使(shi)(shi)用(yong)通用(yong)夾(jia)(jia)具平(ping)口鉗(qian)作為夾(jia)(jia)具進(jin)行(xing)定位裝夾(jia)(jia),按上述(shu)加(jia)(jia)工(gong)(gong)(gong)順序進(jin)行(xing)加(jia)(jia)工(gong)(gong)(gong)。用(yong)平(ping)口鉗(qian)夾(jia)(jia)緊兩端面,并在左、右斜板下端放置兩個(ge)(ge)千(qian)斤(jin)頂(ding)作為輔(fu)助(zhu)(zhu)支撐進(jin)行(xing)加(jia)(jia)工(gong)(gong)(gong)。該(gai)(gai)種加(jia)(jia)工(gong)(gong)(gong)方(fang)案(an)在實施后(hou),其(qi)0°方(fang)向的多(duo)(duo)個(ge)(ge)關(guan)鍵加(jia)(jia)工(gong)(gong)(gong)要(yao)素無法(fa)保證尺寸精度(du)及幾何公差要(yao)求,導(dao)致與(yu)之配合(he)的其(qi)他零(ling)部件無法(fa)正常(chang)使(shi)(shi)用(yong),同時工(gong)(gong)(gong)步分散加(jia)(jia)工(gong)(gong)(gong),需要(yao)多(duo)(duo)次找正、裝夾(jia)(jia)零(ling)件,輔(fu)助(zhu)(zhu)時間(jian)浪費多(duo)(duo)、沒有遵循(xun)基準統一原(yuan)則,造成產品報廢率(lv)較高,所以該(gai)(gai)方(fang)案(an)不可(ke)行(xing)。
加(jia)(jia)(jia)工(gong)方(fang)(fang)案(an)2:數(shu)控加(jia)(jia)(jia)工(gong)中(zhong)(zhong)心(xin)本身是一(yi)種功能較全的(de)(de)數(shu)控機床,它可以(yi)把(ba)銑削(xue)(xue)、鏜削(xue)(xue)、鉆削(xue)(xue)和攻螺紋(wen)等加(jia)(jia)(jia)工(gong)集(ji)中(zhong)(zhong)在一(yi)臺設備上,一(yi)次(ci)裝夾(jia)可以(yi)實現多(duo)(duo)工(gong)序集(ji)中(zhong)(zhong)加(jia)(jia)(jia)工(gong),減少(shao)多(duo)(duo)次(ci)裝夾(jia)帶來(lai)的(de)(de)誤差,利用加(jia)(jia)(jia)工(gong)中(zhong)(zhong)心(xin)“多(duo)(duo)工(gong)序集(ji)中(zhong)(zhong)”的(de)(de)優勢,結合加(jia)(jia)(jia)工(gong)方(fang)(fang)案(an)1的(de)(de)經(jing)驗和方(fang)(fang)法改變加(jia)(jia)(jia)工(gong)思路(lu),將數(shu)控“柔(rou)性(xing)化”思想引用到實際生(sheng)產中(zhong)(zhong)。本加(jia)(jia)(jia)工(gong)方(fang)(fang)案(an)選(xuan)用立式四軸加(jia)(jia)(jia)工(gong)中(zhong)(zhong)心(xin),制作臺階式心(xin)軸,利用上道工(gong)序已加(jia)(jia)(jia)工(gong)完成(cheng)的(de)(de)導向(xiang)筒(tong)內孔(kong)為(wei)定位基準,采(cai)用“一(yi)夾(jia)一(yi)頂(ding)法”,并在左、右(you)支撐板下(xia)用千斤頂(ding)做輔(fu)助(zhu)支撐,增強剛(gang)性(xing),保證進行一(yi)次(ci)裝夾(jia)滿足回轉部分所有加(jia)(jia)(jia)工(gong)要素(su),該加(jia)(jia)(jia)工(gong)方(fang)(fang)法裝夾(jia)次(ci)數(shu)少(shao),更有利于保證各表面間(jian)的(de)(de)位置精度,能夠(gou)極大(da)(da)地減少(shao)輔(fu)助(zhu)時間(jian)的(de)(de)浪費,從而大(da)(da)幅提高(gao)生(sheng)產效率。
(1)工裝設計。結合零件結構特點制作臺階式心軸,如圖3所示。該工裝包括夾緊部分、定位部分、配合部分、鎖緊部分及頂尖輔助部分。該工裝在制作時需保證一次加工完成,因為零件組焊、外形噴砂過后本身沒有基準,工裝做好后,將零件與工裝配合裝夾好,要在工裝上作為Y方向的基準點來進行對刀。該工裝在車削過程中圓柱度、同軸度需保證在0.02mm以內,其尺寸精度與零件導向筒內孔尺寸控制在間隙配合為最佳,表面粗糙度值控制在Ra=3.2μm以下。

圖3 臺階式心軸示意
(2)工裝使用中的改良。在該加工方案實施后,滿足了加工要素的要求,尺寸精度和幾何公差得到了有效保證,但在批量加工中,由于0°方向2-M2螺紋孔、φ8+0.015 +0 mm孔和180°方向(xiang)(xiang)長51mm、寬(kuan)12mm的(de)(de)環形槽(cao)為通(tong)孔、通(tong)槽(cao),所以在加(jia)工(gong)(gong)(gong)時(shi)會切削到工(gong)(gong)(gong)裝表面(mian),這樣極大(da)(da)地(di)損壞了(le)工(gong)(gong)(gong)裝的(de)(de)剛性、使用(yong)壽命,同時(shi)導致其表面(mian)粗糙(cao)度(du)增大(da)(da),產生毛刺,在與導向(xiang)(xiang)筒配合時(shi)嚴重劃傷導向(xiang)(xiang)筒內孔,工(gong)(gong)(gong)裝在使用(yong)中報廢率增大(da)(da),需要一(yi)(yi)直重復(fu)制作工(gong)(gong)(gong)裝,極大(da)(da)地(di)增加(jia)了(le)工(gong)(gong)(gong)作量。所以在加(jia)工(gong)(gong)(gong)完(wan)第一(yi)(yi)件(jian)零件(jian)后,在工(gong)(gong)(gong)裝的(de)(de)定位部分銑削一(yi)(yi)個90°定位面(mian),如(ru)圖4所示,將此平面(mian)作為90°方向(xiang)(xiang)的(de)(de)基準,在每次裝夾(jia)時(shi)用(yong)彎尺(chi)靠平該基準面(mian),工(gong)(gong)(gong)裝便可以避(bi)免零件(jian)在加(jia)工(gong)(gong)(gong)中出現圓周(zhou)方向(xiang)(xiang)不同程(cheng)度(du)的(de)(de)切削損壞,達(da)到重復(fu)使用(yong)的(de)(de)效果。

圖4 心軸改進示意
綜合上述兩種加工(gong)方案(an)(an)的(de)實施和對比,采(cai)用(yong)方案(an)(an)一時(shi)工(gong)步分(fen)散加工(gong)需要(yao)多(duo)(duo)次(ci)找正、裝(zhuang)夾(jia)(jia)零件(jian),輔助(zhu)時(shi)間(jian)多(duo)(duo)、生產(chan)周期較長,50件(jian)產(chan)品(pin)需要(yao)6個工(gong)作日來完(wan)成(cheng),且報廢率高達(da)60%。采(cai)用(yong)方案(an)(an)二時(shi)使用(yong)心軸工(gong)裝(zhuang)進行(xing)“一夾(jia)(jia)一頂”法加工(gong),一次(ci)裝(zhuang)夾(jia)(jia)滿足所有加工(gong)要(yao)素(su)的(de)要(yao)求(qiu),裝(zhuang)夾(jia)(jia)次(ci)數少(shao)、能夠極大地減少(shao)輔助(zhu)時(shi)間(jian)的(de)浪費,從(cong)而(er)更有利于(yu)保證各表面間(jian)的(de)位置精度,50件(jian)產(chan)品(pin)需要(yao)3個工(gong)作日完(wan)成(cheng),生產(chan)效(xiao)率提高50%,產(chan)品(pin)合格率高達(da)100%。
本文針對異形管類組焊零件的(de)(de)特殊(shu)形狀和復雜結構,在加(jia)工(gong)時(shi)(shi)裝(zhuang)夾和找正(zheng)難度(du)大(da),無(wu)法(fa)滿足高精度(du)、高質量設計要求的(de)(de)問題,通過設計心(xin)軸工(gong)裝(zhuang),有(you)效(xiao)地解決了實際加(jia)工(gong)中(zhong)(zhong)的(de)(de)生(sheng)產瓶(ping)頸,產品質量有(you)效(xiao)提高,生(sheng)產效(xiao)率(lv)大(da)幅提升(sheng)。同時(shi)(shi),該心(xin)軸為(wei)類似(si)產品的(de)(de)加(jia)工(gong)尋找了有(you)效(xiao)的(de)(de)加(jia)工(gong)思路,成為(wei)四軸加(jia)工(gong)中(zhong)(zhong)心(xin)“一(yi)夾一(yi)頂”法(fa)的(de)(de)重要工(gong)裝(zhuang)。