摘要:對(dui)于(yu)螺桿(gan)、閥桿(gan)與銷(xiao)軸(zhou)類零件,設計(ji)合理的工(gong)裝夾(jia)具,實現多件加工(gong),以滿足批量(liang)高效生(sheng)產的需要。

隨著科技的(de)(de)(de)進步(bu),機(ji)械加(jia)工(gong)(gong)(gong)(gong)設備不斷被優化改進,其加(jia)工(gong)(gong)(gong)(gong)能力、加(jia)工(gong)(gong)(gong)(gong)精(jing)度不斷提高(gao),機(ji)械加(jia)工(gong)(gong)(gong)(gong)工(gong)(gong)(gong)(gong)藝(yi)也隨之(zhi)向著高(gao)效精(jing)準的(de)(de)(de)方向邁進,繁雜的(de)(de)(de)工(gong)(gong)(gong)(gong)藝(yi)步(bu)驟(zou)逐(zhu)漸被優化減少(shao),零件的(de)(de)(de)機(ji)械加(jia)工(gong)(gong)(gong)(gong)時(shi)(shi)間不斷縮短,生(sheng)產(chan)效率大(da)(da)幅度提高(gao)。但對(dui)于一(yi)些加(jia)工(gong)(gong)(gong)(gong)工(gong)(gong)(gong)(gong)藝(yi)簡單的(de)(de)(de)零件,按照傳統加(jia)工(gong)(gong)(gong)(gong)方法單件加(jia)工(gong)(gong)(gong)(gong),其主要工(gong)(gong)(gong)(gong)序(xu)加(jia)工(gong)(gong)(gong)(gong)時(shi)(shi)間遠遠小于工(gong)(gong)(gong)(gong)件的(de)(de)(de)裝(zhuang)夾時(shi)(shi)間、刀(dao)具更(geng)換時(shi)(shi)間等輔(fu)助時(shi)(shi)間,生(sheng)產(chan)效率低、勞(lao)動(dong)強度大(da)(da)。而設計合(he)理的(de)(de)(de)工(gong)(gong)(gong)(gong)裝(zhuang)夾具可實現多(duo)件或小批量生(sheng)產(chan),既減輕了(le)工(gong)(gong)(gong)(gong)人的(de)(de)(de)勞(lao)動(dong)強度,又大(da)(da)大(da)(da)縮短了(le)輔(fu)助時(shi)(shi)間,在保證(zheng)產(chan)品質量的(de)(de)(de)同時(shi)(shi)提高(gao)了(le)生(sheng)產(chan)效率。
工(gong)裝(zhuang)夾(jia)具(ju)設計(ji)的(de)合理與否直(zhi)接影響到(dao)工(gong)件的(de)質量、生(sheng)產效率和(he)加(jia)(jia)(jia)工(gong)成(cheng)本等。在實際生(sheng)產中(zhong),工(gong)裝(zhuang)夾(jia)具(ju)的(de)設計(ji)主要依據加(jia)(jia)(jia)工(gong)工(gong)藝方案和(he)操作(zuo)人員的(de)經(jing)驗,應(ying)盡量減(jian)少裝(zhuang)夾(jia)次數、降低換刀頻率,一(yi)次裝(zhuang)夾(jia)完成(cheng)多道工(gong)序,節約輔助時間,提高生(sheng)產效率。設計(ji)工(gong)裝(zhuang)夾(jia)具(ju)時,在保證車床加(jia)(jia)(jia)工(gong)精度的(de)同時,應(ying)本著結構合理、成(cheng)本低廉及便于安裝(zhuang)拆卸的(de)原(yuan)則。
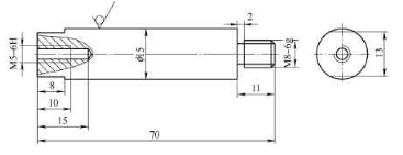
螺(luo)桿(gan)如圖1所(suo)示,其加工(gong)(gong)(gong)工(gong)(gong)(gong)藝(yi)簡(jian)單,且主要(yao)加工(gong)(gong)(gong)部(bu)位集中(zhong)在兩(liang)(liang)端(中(zhong)間外表(biao)面不加工(gong)(gong)(gong),最(zui)后(hou)噴涂防腐(fu)漆)。傳統(tong)加工(gong)(gong)(gong)工(gong)(gong)(gong)藝(yi)銑兩(liang)(liang)側(ce)平面時(shi),在三爪自定(ding)心卡(ka)盤上每次(ci)(ci)只能裝(zhuang)(zhuang)夾(jia)一(yi)件(jian)(jian)(jian),裝(zhuang)(zhuang)夾(jia)輔(fu)助時(shi)間長,生(sheng)產(chan)效(xiao)率(lv)(lv)低。而螺(luo)桿(gan)的(de)生(sheng)產(chan)量大(da)、工(gong)(gong)(gong)期(qi)(qi)短(duan),單件(jian)(jian)(jian)加工(gong)(gong)(gong)可(ke)能會延誤工(gong)(gong)(gong)期(qi)(qi)。設計專用工(gong)(gong)(gong)裝(zhuang)(zhuang)后(hou),一(yi)次(ci)(ci)可(ke)裝(zhuang)(zhuang)夾(jia)8件(jian)(jian)(jian),工(gong)(gong)(gong)裝(zhuang)(zhuang)采用8個φ15mm沉(chen)孔(kong)定(ding)位,每兩(liang)(liang)個孔(kong)中(zhong)心割成(cheng)通槽(cao),槽(cao)寬2mm,形(xing)成(cheng)半開口(見圖2)。工(gong)(gong)(gong)裝(zhuang)(zhuang)采用7A04超硬鋁,強(qiang)度高(gao)(gao)。因為螺(luo)桿(gan)中(zhong)間的(de)外表(biao)面粗糙度要(yao)求不高(gao)(gao),裝(zhuang)(zhuang)好工(gong)(gong)(gong)件(jian)(jian)(jian)以(yi)后(hou),利(li)用精密臺(tai)鉗夾(jia)緊力使工(gong)(gong)(gong)裝(zhuang)(zhuang)產(chan)生(sheng)微量彈性變形(xing),夾(jia)緊工(gong)(gong)(gong)件(jian)(jian)(jian),實現(xian)多(duo)件(jian)(jian)(jian)加工(gong)(gong)(gong)。采用多(duo)件(jian)(jian)(jian)裝(zhuang)(zhuang)夾(jia)工(gong)(gong)(gong)裝(zhuang)(zhuang)后(hou),一(yi)次(ci)(ci)走刀可(ke)銑削4個側(ce)面,刀具(ju)行程大(da)大(da)減(jian)小,生(sheng)產(chan)時(shi)間、更換刀具(ju)所(suo)需時(shi)間明顯(xian)縮短(duan),生(sheng)產(chan)效(xiao)率(lv)(lv)顯(xian)著(zhu)提高(gao)(gao)。

圖1 螺桿

圖 2
閥桿(gan)如圖4所示。傳統(tong)的加(jia)(jia)工(gong)(gong)(gong)方法是(shi)在立(li)式加(jia)(jia)工(gong)(gong)(gong)中(zhong)(zhong)心四軸(zhou)上,用(yong)組(zu)合夾(jia)具一次裝夾(jia)一件(jian),進行(xing)兩(liang)端槽(cao)、扁的銑(xian)(xian)加(jia)(jia)工(gong)(gong)(gong)。設計專(zhuan)用(yong)工(gong)(gong)(gong)裝(見圖5)后,在立(li)式加(jia)(jia)工(gong)(gong)(gong)中(zhong)(zhong)心四軸(zhou)卡盤上進行(xing)多(duo)件(jian)加(jia)(jia)工(gong)(gong)(gong),每(mei)次裝夾(jia)4件(jian),完(wan)成銑(xian)(xian)槽(cao)、扁工(gong)(gong)(gong)序(xu)。工(gong)(gong)(gong)裝采(cai)用(yong)四個V形槽(cao)作(zuo)效率提(ti)高近(jin)3倍(bei)。
因精密(mi)臺(tai)鉗鉗口高(gao)度(du)有(you)限(xian),若螺桿長(chang)度(du)>80mm,采(cai)(cai)用(yong)上述工(gong)(gong)(gong)裝(zhuang)(zhuang)(zhuang)(zhuang)(zhuang)(zhuang)(zhuang)將無(wu)法借助(zhu)(zhu)精密(mi)臺(tai)鉗的夾(jia)緊(jin)力固定工(gong)(gong)(gong)件,因此,根據(ju)年(nian)生(sheng)產量設(she)計(ji)長(chang)螺桿專(zhuan)用(yong)工(gong)(gong)(gong)裝(zhuang)(zhuang)(zhuang)(zhuang)(zhuang)(zhuang)(zhuang)夾(jia)具(見圖3),該(gai)工(gong)(gong)(gong)裝(zhuang)(zhuang)(zhuang)(zhuang)(zhuang)(zhuang)(zhuang)同(tong)樣采(cai)(cai)用(yong)與螺桿直徑相同(tong)的8個(ge)定位(wei)(wei)孔(kong)進行定位(wei)(wei),8個(ge)定位(wei)(wei)孔(kong)下面分別銑(xian)出(chu)排屑槽,便于(yu)工(gong)(gong)(gong)裝(zhuang)(zhuang)(zhuang)(zhuang)(zhuang)(zhuang)(zhuang)清(qing)理(li)。該(gai)工(gong)(gong)(gong)裝(zhuang)(zhuang)(zhuang)(zhuang)(zhuang)(zhuang)(zhuang)每(mei)(mei)次可裝(zhuang)(zhuang)(zhuang)(zhuang)(zhuang)(zhuang)(zhuang)夾(jia)8件,每(mei)(mei)兩件采(cai)(cai)用(yong)專(zhuan)用(yong)壓板夾(jia)緊(jin),實(shi)現多(duo)件加工(gong)(gong)(gong)。采(cai)(cai)用(yong)該(gai)工(gong)(gong)(gong)裝(zhuang)(zhuang)(zhuang)(zhuang)(zhuang)(zhuang)(zhuang)后,一(yi)(yi)次走刀可銑(xian)削8個(ge)側(ce)面,刀具移動行程短,同(tong)時輔(fu)助(zhu)(zhu)裝(zhuang)(zhuang)(zhuang)(zhuang)(zhuang)(zhuang)(zhuang)夾(jia)為工(gong)(gong)(gong)件定位(wei)(wei)基(ji)準,每(mei)(mei)兩件采(cai)(cai)用(yong)專(zhuan)用(yong)壓板夾(jia)緊(jin)實(shi)現多(duo)件加工(gong)(gong)(gong),降低換刀頻率(lv),提(ti)高(gao)生(sheng)產效率(lv)。工(gong)(gong)(gong)裝(zhuang)(zhuang)(zhuang)(zhuang)(zhuang)(zhuang)(zhuang)的一(yi)(yi)側(ce)端面設(she)計(ji)成六方,三爪(zhua)自定心(xin)卡盤夾(jia)緊(jin)定位(wei)(wei)時方便找正,且定位(wei)(wei)可靠(kao)。采(cai)(cai)用(yong)多(duo)件裝(zhuang)(zhuang)(zhuang)(zhuang)(zhuang)(zhuang)(zhuang)夾(jia)工(gong)(gong)(gong)裝(zhuang)(zhuang)(zhuang)(zhuang)(zhuang)(zhuang)(zhuang)后,生(sheng)產效率(lv)提(ti)高(gao)50%。

圖 3

圖4 閥桿

圖 5
以往加工類似工件(jian)(jian)(jian)用(yong)組合夾具V形(xing)塊進(jin)行加工,一(yi)(yi)般一(yi)(yi)次加工2件(jian)(jian)(jian),輔助時間(jian)長,換刀頻繁(fan),影響加工效(xiao)(xiao)率。設計專用(yong)工裝(zhuang)(見(jian)圖6)后,采用(yong)8個V形(xing)槽作為定位基(ji)準,一(yi)(yi)個通體定位面作為長度方(fang)向定位基(ji)準,每(mei)次裝(zhuang)夾8件(jian)(jian)(jian),每(mei)兩件(jian)(jian)(jian)用(yong)一(yi)(yi)個壓(ya)板壓(ya)緊,實現多件(jian)(jian)(jian)加工。該裝(zhuang)夾方(fang)法為銷軸(zhou)提(ti)(ti)供了(le)(le)輔助支撐,可(ke)(ke)有(you)效(xiao)(xiao)減小內(nei)應力(li)變形(xing)。該工裝(zhuang)在銷軸(zhou)類零(ling)件(jian)(jian)(jian)加工中具有(you)通用(yong)性,可(ke)(ke)用(yong)于φ18~φ25mm的銷軸(zhou)定位,操作簡單,裝(zhuang)夾效(xiao)(xiao)率比改進(jin)前提(ti)(ti)高了(le)(le)近(jin)75%,總生產效(xiao)(xiao)率提(ti)(ti)高了(le)(le)約35%,每(mei)年加工此(ci)類零(ling)件(jian)(jian)(jian)近(jin)2萬件(jian)(jian)(jian), 經濟效(xiao)(xiao)益十分可(ke)(ke)觀。
針對(dui)螺桿、閥桿及(ji)銷軸類零(ling)件鉆孔、銑方、攻螺紋及(ji)倒角等加(jia)(jia)(jia)工(gong)過程中(zhong)存在(zai)的換(huan)刀頻率高(gao)、機(ji)床移(yi)動行程長、頻繁裝(zhuang)(zhuang)卸工(gong)件輔助時間增加(jia)(jia)(jia)及(ji)生產(chan)效(xiao)率低等問題,研(yan)制(zhi)多(duo)(duo)件裝(zhuang)(zhuang)夾(jia)工(gong)裝(zhuang)(zhuang),變單(dan)件加(jia)(jia)(jia)工(gong)為多(duo)(duo)件加(jia)(jia)(jia)工(gong),在(zai)保證質量的前提(ti)下,既降低了勞動強度,又提(ti)高(gao)了生產(chan)效(xiao)率。多(duo)(duo)件裝(zhuang)(zhuang)夾(jia)工(gong)裝(zhuang)(zhuang)廣(guang)泛應用于生產(chan)中(zhong),經(jing)濟效(xiao)益顯著。

圖 6