
圖1
圖1所示為我公司加(jia)(jia)(jia)工(gong)(gong)的(de)(de)一種轉輪(lun)件。此種轉輪(lun)件規格多,結構基本相同,原工(gong)(gong)藝過程為:鑄造(zao)→打磨→吹砂→車(che)(che)(che)削(xue)加(jia)(jia)(jia)工(gong)(gong)(用(yong)四爪單(dan)動卡盤夾(jia)工(gong)(gong)藝塊(kuai),校正(zheng)工(gong)(gong)件,粗車(che)(che)(che)基準)→車(che)(che)(che)削(xue)加(jia)(jia)(jia)工(gong)(gong)(夾(jia)粗車(che)(che)(che)基準,粗車(che)(che)(che)工(gong)(gong)藝塊(kuai)外圓及(ji)其(qi)端(duan)面(mian)(mian))→車(che)(che)(che)削(xue)加(jia)(jia)(jia)工(gong)(gong)〔夾(jia)工(gong)(gong)藝塊(kuai)外圓并(bing)靠緊端(duan)面(mian)(mian),粗、精(jing)車(che)(che)(che)內腔端(duan),其(qi)中尺寸(cun)(13.2±0.035)mm的(de)(de)內端(duan)面(mian)(mian)留余量(liang)〕→車(che)(che)(che)削(xue)加(jia)(jia)(jia)工(gong)(gong)(夾(jia)大(da)端(duan),車(che)(che)(che)掉工(gong)(gong)藝塊(kuai),粗車(che)(che)(che)小端(duan),留余量(liang))→人工(gong)(gong)時效→車(che)(che)(che)削(xue)加(jia)(jia)(jia)工(gong)(gong)〔夾(jia)外圓φ389mm,從大(da)端(duan)精(jing)車(che)(che)(che)尺寸(cun)(13.2±0.035)mm的(de)(de)內端(duan)面(mian)(mian)〕→車(che)(che)(che)削(xue)加(jia)(jia)(jia)工(gong)(gong)(夾(jia)大(da)端(duan),精(jing)車(che)(che)(che)小端(duan))→銑加(jia)(jia)(jia)工(gong)(gong)(鉆孔)→鉗工(gong)(gong)(去除毛刺)→檢驗。
存在的問題:車加工需預鑄工藝塊,去除工藝塊后工件易變形,并且切削量大,材料利用率低;有6道車加工工序,工序過于繁瑣,粗加工時校正工件慢,裝夾不方便;在加工時,尺寸33.4-0 -0.16mm和81-0 -0.087mm無量(liang)(liang)具測量(liang)(liang),為了(le)保證其尺寸(cun),需把組成其尺寸(cun)的組成環(huan)公(gong)差減小,從而(er)增加(jia)了(le)加(jia)工(gong)難度和測量(liang)(liang)工(gong)作量(liang)(liang)。為此對轉輪的加(jia)工(gong)過程進行全面分(fen)析,從毛坯到成品(pin)全過程進行優化(hua)。

圖2
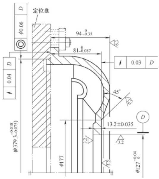
圖2所示為某產品的一個旋轉件,從裝配圖得知,裝于產品中由內孔φ127+0.04 +0mm及其右端面定位,用螺栓穿過10個φ7mm孔壓緊轉輪。從零件加工圖分析,要保證非加工面與加工面之間的尺寸和幾何公差,加工面尺寸精度最高為IT7級,表面粗糙度值Ra=3.2μm,幾何公差精度為IT7級,零件坯料是鑄鋁件,主要加工工序是車削加工,相對切削加工性Kr>3.0,是容易切削材料。工藝設計的重點是:粗加工時要以非加工內孔φ361mm和尺寸36mm的非加工面為基準;精加工時工件易變形,要保證尺寸精度和幾何公差;尺寸33.4-0 -0.16mm和81-0 -0.087mm在加工(gong)時,用(yong)標(biao)準量(liang)具(ju)無法(fa)(fa)測量(liang),要考慮專(zhuan)用(yong)量(liang)具(ju)或其他方法(fa)(fa)測量(liang)。
工(gong)程(cheng)(cheng)造(zao)價(jia)(jia)咨詢(xun)(xun)專業是(shi)一門實踐性很(hen)強的(de)(de)(de)專業,如沒經驗的(de)(de)(de)積累而只(zhi)掌握方法,則(ze)工(gong)作很(hen)難開展,因此造(zao)價(jia)(jia)咨詢(xun)(xun)企業必須十分重(zhong)(zhong)視資料的(de)(de)(de)積累、收集與整(zheng)理(li)分析。首(shou)先要(yao)設立專門的(de)(de)(de)造(zao)價(jia)(jia)信息咨詢(xun)(xun)員,對本單(dan)位(wei)的(de)(de)(de)工(gong)程(cheng)(cheng)造(zao)價(jia)(jia)資料進行管(guan)理(li),同時(shi)(shi)負責收集各種較(jiao)為重(zhong)(zhong)要(yao)的(de)(de)(de)材(cai)料價(jia)(jia)格(ge)信息,加強與大(da)宗材(cai)料設備廠家(jia)或供應商的(de)(de)(de)定(ding)期詢(xun)(xun)價(jia)(jia)聯系(xi),建立本單(dan)位(wei)造(zao)價(jia)(jia)網絡信息管(guan)理(li)系(xi)統,一旦需要(yao),就可(ke)以根(gen)據(ju)實際(ji)情況及(ji)時(shi)(shi)調取(qu),加以參(can)考和利用。其(qi)次隨著(zhu)從(cong)業時(shi)(shi)間增(zeng)長,工(gong)作經驗的(de)(de)(de)增(zeng)加,從(cong)業人員也應該(gai)建立只(zhi)屬于個(ge)人用的(de)(de)(de)造(zao)價(jia)(jia)咨詢(xun)(xun)資料,比如各種典型工(gong)程(cheng)(cheng)的(de)(de)(de)平方造(zao)價(jia)(jia),鋼筋含(han)量、較(jiao)為特殊的(de)(de)(de)材(cai)料價(jia)(jia)格(ge)等,這樣可(ke)以在需要(yao)參(can)考時(shi)(shi),及(ji)時(shi)(shi)能提取(qu)出(chu)來。
選(xuan)擇定(ding)(ding)位(wei)基準(zhun)首先要(yao)保(bao)證工(gong)序(xu)要(yao)求,盡量減少(shao)裝夾(jia)次(ci)數,并使工(gong)件定(ding)(ding)位(wei)準(zhun)確、夾(jia)緊可靠,操作(zuo)方(fang)便,因(yin)而分析(xi)定(ding)(ding)位(wei)基準(zhun)選(xuan)擇的(de)順序(xu)就應從(cong)精基準(zhun)到粗基準(zhun)。
精基準的選擇,從零件加工圖和裝配圖看,若考慮定位基準與設計基準重合,應選基準D及其右端面定位,但用基準D定位加工大端,尺寸相差較大,并且基準D不易裝夾,致使裝夾不可靠、操作不方便。外圓φ379.3-0.018 -0.107mm與基準D的同軸度為φ0.06mm,其底端面與基準D的跳動量為0.04mm,并且其底端面是組成重要尺寸81-0 -0.087mm的平面,因此選外圓φ379.3-0.018 -0.107mm及其底端面為精基準加工φ127+0.04 +0mm端,鉆10個φ7mm孔(kong)以基(ji)準(zhun)D及其右端面為定位(wei)基(ji)準(zhun)。
粗(cu)(cu)基準(zhun)的(de)(de)選擇,從零件加(jia)工(gong)圖分析,為了保證加(jia)工(gong)面至非加(jia)工(gong)面的(de)(de)尺寸36mm和非加(jia)工(gong)內(nei)孔(kong)φ361mm與基準(zhun)D的(de)(de)圓跳(tiao)動0.4mm,粗(cu)(cu)加(jia)工(gong)要以(yi)非加(jia)工(gong)內(nei)孔(kong)φ361mm和尺寸36mm的(de)(de)非加(jia)工(gong)面為粗(cu)(cu)基準(zhun)加(jia)工(gong)其(qi)他面。
根據零件加工圖的要求,主要加工面是內孔φ127+0.04 +0mm及其孔口端面和外圓φ379.3-0.018 -0.107mm及其端面。從零件結構分析,零件坯料是鑄鋁件,內孔φ127+0.04 +0mm的(de)(de)右端是澆鑄口位置,其粗加(jia)(jia)(jia)工(gong)(gong)(gong)(gong)(gong)(gong)安排在(zai)前,這樣(yang)(yang)有利于盡早(zao)發現(xian)毛坯缺陷,防止浪費次要(yao)表面的(de)(de)加(jia)(jia)(jia)工(gong)(gong)(gong)(gong)(gong)(gong)費用,但精加(jia)(jia)(jia)工(gong)(gong)(gong)(gong)(gong)(gong)要(yao)安排在(zai)后。10個(ge)φ7mm孔與(yu)主要(yao)加(jia)(jia)(jia)工(gong)(gong)(gong)(gong)(gong)(gong)面有相對(dui)位置要(yao)求,應安排在(zai)主要(yao)加(jia)(jia)(jia)工(gong)(gong)(gong)(gong)(gong)(gong)面精加(jia)(jia)(jia)工(gong)(gong)(gong)(gong)(gong)(gong)完成后。因鋁件(jian)加(jia)(jia)(jia)工(gong)(gong)(gong)(gong)(gong)(gong)變形受切削(xue)熱的(de)(de)影響較(jiao)大,為(wei)了(le)防止工(gong)(gong)(gong)(gong)(gong)(gong)件(jian)在(zai)精加(jia)(jia)(jia)工(gong)(gong)(gong)(gong)(gong)(gong)后因變形引起尺寸超差,粗、精加(jia)(jia)(jia)工(gong)(gong)(gong)(gong)(gong)(gong)分開。坯料取消(xiao)工(gong)(gong)(gong)(gong)(gong)(gong)藝塊(kuai),加(jia)(jia)(jia)工(gong)(gong)(gong)(gong)(gong)(gong)余(yu)量均(jun)勻,這樣(yang)(yang)就大大減少鑄造應力和切削(xue)加(jia)(jia)(jia)工(gong)(gong)(gong)(gong)(gong)(gong)后產生的(de)(de)應力,因此(ci)就不再安排消(xiao)除(chu)內應力熱處理。具體工(gong)(gong)(gong)(gong)(gong)(gong)序安排如下:鑄造→打磨→吹砂→車削(xue)加(jia)(jia)(jia)工(gong)(gong)(gong)(gong)(gong)(gong)→車削(xue)加(jia)(jia)(jia)工(gong)(gong)(gong)(gong)(gong)(gong)→車削(xue)加(jia)(jia)(jia)工(gong)(gong)(gong)(gong)(gong)(gong)→車削(xue)加(jia)(jia)(jia)工(gong)(gong)(gong)(gong)(gong)(gong)→鉆(zhan)加(jia)(jia)(jia)工(gong)(gong)(gong)(gong)(gong)(gong)→鉗加(jia)(jia)(jia)工(gong)(gong)(gong)(gong)(gong)(gong)→檢驗(yan)。

(4)工序車削加工
圖4 (5)工(gong)序車削加工(gong)

圖5 (6)工(gong)序(xu)車削加工(gong)

圖6 測量
(1)鑄造:與鑄造廠進行技術溝通,達成協議,內孔φ366+0.14 +0mm的鑄造孔定為φ361mm,與非加工內孔φ361mm鑄為同一孔,尺寸36mm的非加工面和內孔φ361mm定為粗加工基準,在鑄造時保證其他非加工面與粗基準的尺寸和幾何公差要求,取消內孔φ127+0.04 +0mm右端處工藝塊。
該微信小程(cheng)序由俄(e)(e)語擺渡研發設(she)計,為用(yong)戶(hu)提(ti)(ti)供(gong)2003-2016俄(e)(e)語專(zhuan)業(ye)八級考試全部(bu)選擇題(ti)(ti)(ti)(ti)真(zhen)題(ti)(ti)(ti)(ti)。該程(cheng)序內容分為三(san)大板塊:順(shun)序練習、隨(sui)機練習、難題(ti)(ti)(ti)(ti)攻克。這三(san)大板塊皆(jie)又分為答題(ti)(ti)(ti)(ti)模(mo)(mo)式和背題(ti)(ti)(ti)(ti)模(mo)(mo)式,且答題(ti)(ti)(ti)(ti)的(de)(de)(de)過程(cheng)中,屏(ping)幕(mu)的(de)(de)(de)右下方會(hui)顯(xian)示正確(que)答題(ti)(ti)(ti)(ti)的(de)(de)(de)題(ti)(ti)(ti)(ti)目(mu)總數,有(you)助(zhu)(zhu)于用(yong)戶(hu)了(le)解(jie)自己真(zhen)實(shi)的(de)(de)(de)俄(e)(e)語水平,但題(ti)(ti)(ti)(ti)目(mu)下方提(ti)(ti)供(gong)的(de)(de)(de)解(jie)析相對(dui)Bears所(suo)提(ti)(ti)供(gong)的(de)(de)(de)解(jie)析略顯(xian)不足。另外該程(cheng)序還設(she)有(you)我(wo)的(de)(de)(de)錯題(ti)(ti)(ti)(ti)和我(wo)的(de)(de)(de)收藏(zang),該功能有(you)助(zhu)(zhu)于學生回顧錯題(ti)(ti)(ti)(ti)、彌補不足。
(2)打磨(mo):去除澆冒口,打磨(mo)粗基準面(mian)和非加工面(mian)的(de)分模(mo)面(mian)、飛邊和多余物(wu),使其與基體金屬齊(qi)平,粗基準面(mian)不能有影響裝夾(jia)的(de)多余物(wu)。
子優(you)化問題式(shi)(9)的(de)(de)(de)(de)求(qiu)解方(fang)法與(yu)上述過程類似.首先創建t×r的(de)(de)(de)(de)高斯隨機(ji)矩(ju)(ju)陣Ψ,其中(zhong)(zhong)t=log(r),并(bing)依據(ju)矩(ju)(ju)陣U中(zhong)(zhong)每(mei)行(xing)(xing)(xing)(xing)(xing)的(de)(de)(de)(de)大(da)小隨機(ji)選(xuan)取r行(xing)(xing)(xing)(xing)(xing)構造(zao)子矩(ju)(ju)陣然后,對矩(ju)(ju)陣V的(de)(de)(de)(de)每(mei)列(lie)進(jin)行(xing)(xing)(xing)(xing)(xing)循環,選(xuan)取矩(ju)(ju)陣U中(zhong)(zhong)與(yu)當前列(lie)Vj最(zui)匹配的(de)(de)(de)(de)行(xing)(xing)(xing)(xing)(xing)進(jin)行(xing)(xing)(xing)(xing)(xing)投影,其中(zhong)(zhong)同時(shi),為了確保行(xing)(xing)(xing)(xing)(xing)選(xuan)取的(de)(de)(de)(de)最(zui)優(you)性,隨機(ji)選(xuan)取U中(zhong)(zhong)的(de)(de)(de)(de)一行(xing)(xing)(xing)(xing)(xing)Ul進(jin)行(xing)(xing)(xing)(xing)(xing)驗證,并(bing)保留和(he)Ul兩者中(zhong)(zhong)與(yu)當前列(lie)Vj最(zui)匹配的(de)(de)(de)(de)行(xing)(xing)(xing)(xing)(xing)進(jin)行(xing)(xing)(xing)(xing)(xing)投影運算.
(3)吹砂:去除細小(xiao)飛邊,清潔工件(jian)表面,使(shi)其表面更加(jia)平整。
(4)車削加工:如圖3所示,首件加工前裝軟爪于三爪自定心卡盤上,車軟爪尺寸L1的兩端面及夾緊外圓φ361mm,去除毛刺,測量尺寸L1的實際值,為了避免裝夾誤差的影響,L2確定為〔(L1+58.5)±0.3〕mm。以工件的內孔φ361mm及端面M定位,裝夾工件。車右端面,測量尺寸L2,從而保證(zheng)尺寸(58.5±0.4)mm的要求,車其(qi)余加(jia)工面。
(5)車削加工:如圖4所示,方法同(4)工序。車外圓φ381.5-0 -0.57mm及其底端面,測量尺寸L4,從(cong)而保證(95.5±0.27)mm的要求,車其余加(jia)工面(mian)。
(6)車削加工:如圖5所示,方法同(4)工序。車外圓φ379.3-0.018 -0.075mm及其底端面,測量尺寸L6,從而保證(94.5±0.2)mm的要求,車其余加工面。尺寸33.4-0 -0.16mm的測量(liang)(liang),用(yong)(yong)平量(liang)(liang)塊組合尺寸33.4mm,利用(yong)(yong)平量(liang)(liang)塊和(he)平板調整量(liang)(liang)具的量(liang)(liang)程,并把百分表的表盤調到零位,測量(liang)(liang)方法如(ru)圖6所(suo)示。
(7)車削加工:如圖7所示,首件加工前,裝夾定位盤于車床的花盤上,用螺栓聯接,校準定位盤的定位端面和定位孔。以工件的外圓φ379.3-0.018 -0.075mm及其底端面定位裝夾工件,車加工面,其中尺寸(13.2±0.035)mm的左端面加工如圖8所示,利用反面正車法加工。尺寸81-0 -0.087mm的測量用深度千(qian)分(fen)尺伸入內孔,測量加工面(mian)(mian)到定位端面(mian)(mian)的距(ju)離(li)即可,幾(ji)何公差(cha)由工藝方法(fa)保證。
大型(xing)(xing)蚤(zao)存活(huo)在自(zi)然(ran)水(shui)(shui)(shui)(shui)(shui)環境中,屬于浮游甲殼類動物(wu),其特征在于繁殖(zhi)較(jiao)快、容易培養、對(dui)(dui)水(shui)(shui)(shui)(shui)(shui)體污染物(wu)較(jiao)為敏感(gan)等,是(shi)當前國際(ji)水(shui)(shui)(shui)(shui)(shui)污染毒(du)(du)(du)(du)性(xing)(xing)(xing)指標生(sheng)(sheng)物(wu)之(zhi)一。以往有(you)研究(jiu)對(dui)(dui)某工(gong)(gong)業(ye)鎮中4個城(cheng)市中的污水(shui)(shui)(shui)(shui)(shui)處理(li)廠再生(sheng)(sheng)水(shui)(shui)(shui)(shui)(shui)的原水(shui)(shui)(shui)(shui)(shui)與2個再生(sheng)(sheng)水(shui)(shui)(shui)(shui)(shui)處理(li)工(gong)(gong)藝(yi)急性(xing)(xing)(xing)毒(du)(du)(du)(du)性(xing)(xing)(xing)給予測試。測試結果顯示,再生(sheng)(sheng)水(shui)(shui)(shui)(shui)(shui)原水(shui)(shui)(shui)(shui)(shui)針對(dui)(dui)大型(xing)(xing)蚤(zao)存在著一定(ding)的毒(du)(du)(du)(du)性(xing)(xing)(xing)作(zuo)用,且二級出水(shui)(shui)(shui)(shui)(shui)的生(sheng)(sheng)物(wu)毒(du)(du)(du)(du)性(xing)(xing)(xing)與有(you)機物(wu)濃度(du)高(gao)低(di)之(zhi)間的關系一致。在氯消毒(du)(du)(du)(du)或臭氧氧化工(gong)(gong)藝(yi)環節(jie)處理(li)后(hou),再生(sheng)(sheng)水(shui)(shui)(shui)(shui)(shui)針對(dui)(dui)大型(xing)(xing)蚤(zao)急性(xing)(xing)(xing)毒(du)(du)(du)(du)性(xing)(xing)(xing)的提(ti)升(sheng)較(jiao)為明(ming)顯,即以上消毒(du)(du)(du)(du)方式能在一定(ding)程度(du)上增加再生(sheng)(sheng)水(shui)(shui)(shui)(shui)(shui)的毒(du)(du)(du)(du)性(xing)(xing)(xing)。
(8)鉆加(jia)工(gong)(gong):如(ru)圖(tu)9所示(shi),用鉆模定(ding)位鉆加(jia)工(gong)(gong)10個φ7mm孔。
(9)鉗加工:去(qu)除(chu)毛刺,銳邊倒鈍。
(10)檢驗:尺寸81-0 -0.087mm和94-0 -0.35mm的測量,把(7)工序用的定位盤平放于工作臺上,工件裝于定位盤,用深度千分尺測量810 -0.087mm,用高度尺測量94-0-0.35mm;尺寸33.4-0 -0.16mm的測(ce)量按(6)工序的測(ce)量方(fang)法;其余尺寸(cun)的測(ce)量用標準量具;幾何公(gong)差由工藝方(fang)法保證。

圖7 (7)工序車削加工

圖8 (7)工序反面正車示(shi)意圖

圖9 (8)工序鉆加(jia)工
毛坯取(qu)消工(gong)藝塊,減(jian)少(shao)(shao)坯料質量(liang)(liang)(liang)8.2kg,從而減(jian)少(shao)(shao)切削(xue)量(liang)(liang)(liang);粗加(jia)(jia)工(gong)用(yong)(yong)(yong)坯件(jian)(jian)的(de)(de)基準面(mian)(mian)定(ding)位裝(zhuang)(zhuang)夾(jia),無需每件(jian)(jian)找正裝(zhuang)(zhuang)夾(jia),減(jian)少(shao)(shao)了(le)裝(zhuang)(zhuang)夾(jia)時(shi)間(jian),并且加(jia)(jia)工(gong)面(mian)(mian)至(zhi)非加(jia)(jia)工(gong)面(mian)(mian)的(de)(de)尺(chi)寸(cun)得到(dao)(dao)了(le)保證(zheng);三(san)道(dao)車削(xue)加(jia)(jia)工(gong)用(yong)(yong)(yong)普通軟三(san)爪自定(ding)心卡(ka)盤裝(zhuang)(zhuang)夾(jia)工(gong)件(jian)(jian),一道(dao)車削(xue)加(jia)(jia)工(gong)用(yong)(yong)(yong)定(ding)位盤裝(zhuang)(zhuang)夾(jia)工(gong)件(jian)(jian),一道(dao)鉆加(jia)(jia)工(gong)用(yong)(yong)(yong)鉆模定(ding)位鉆孔,夾(jia)具(ju)結(jie)構(gou)簡(jian)單(dan),制(zhi)造成(cheng)本低;精(jing)度(du)要(yao)求(qiu)高的(de)(de)尺(chi)寸(cun)都是直接加(jia)(jia)工(gong)保證(zheng),精(jing)度(du)要(yao)求(qiu)都在經濟精(jing)度(du)范圍內;只有一個(ge)尺(chi)寸(cun)用(yong)(yong)(yong)了(le)自制(zhi)量(liang)(liang)(liang)具(ju)測量(liang)(liang)(liang),測量(liang)(liang)(liang)方法簡(jian)單(dan),量(liang)(liang)(liang)具(ju)由(you)百分表(biao)、螺(luo)釘和測量(liang)(liang)(liang)座組成(cheng),百分表(biao)和螺(luo)釘直接選用(yong)(yong)(yong),只加(jia)(jia)工(gong)測量(liang)(liang)(liang)座。整個(ge)加(jia)(jia)工(gong)過程中,只自制(zhi)一刀桿加(jia)(jia)工(gong)尺(chi)寸(cun)(13.2±0.035)mm,其(qi)余刀具(ju)選用(yong)(yong)(yong)通用(yong)(yong)(yong)刀具(ju)。零(ling)件(jian)(jian)加(jia)(jia)工(gong)合格率由(you)95%提(ti)高到(dao)(dao)100%,生產(chan)成(cheng)本由(you)825元/件(jian)(jian)減(jian)少(shao)(shao)到(dao)(dao)637元/件(jian)(jian)。優化后的(de)(de)工(gong)藝保證(zheng)了(le)零(ling)件(jian)(jian)質量(liang)(liang)(liang),改善(shan)了(le)工(gong)人的(de)(de)勞動條(tiao)件(jian)(jian),使復(fu)雜、困(kun)難的(de)(de)工(gong)藝問題變得簡(jian)單(dan),降低了(le)加(jia)(jia)工(gong)成(cheng)本。