真(zhen)(zhen)空(kong)夾具(ju)在(zai)薄(bo)壁件(jian)的(de)(de)加工(gong)(gong)(gong)(gong)中應用廣泛(fan),如(ru)SCHMALZ(施邁(mai)茨)公司設計(ji)的(de)(de)真(zhen)(zhen)空(kong)裝夾系統,適合底部平整(zheng)、面(mian)積較大的(de)(de)金屬薄(bo)壁件(jian)加工(gong)(gong)(gong)(gong)。針(zhen)對薄(bo)壁結構件(jian)如(ru)飛機(ji)蒙(meng)皮(pi)的(de)(de)裝夾問題,近(jin)年來出現(xian)了多點柔性夾具(ju),如(ru)西(xi)班牙M.Torres公司的(de)(de)TORRESTOOL多點柔性工(gong)(gong)(gong)(gong)裝系統,該夾具(ju)可(ke)(ke)用于(yu)(yu)飛機(ji)機(ji)身、機(ji)翼等(deng)飛機(ji)蒙(meng)皮(pi)的(de)(de)切(qie)邊和鉆銑(xian)。北京航空(kong)航天大學(xue)建立了基于(yu)(yu)可(ke)(ke)重構柔性多點模具(ju)的(de)(de)飛機(ji)蒙(meng)皮(pi)數字化拉(la)形(xing)試驗系統,突破了飛機(ji)蒙(meng)皮(pi)CAD數模工(gong)(gong)(gong)(gong)藝補(bu)充面(mian)的(de)(de)自動生成技(ji)術。中航工(gong)(gong)(gong)(gong)業哈爾(er)濱飛機(ji)工(gong)(gong)(gong)(gong)業集(ji)團(tuan)有限責任(ren)公司針(zhen)對大型薄(bo)壁件(jian)的(de)(de)加工(gong)(gong)(gong)(gong)變形(xing)采取的(de)(de)措施之(zhi)一(yi)是設計(ji)正反兩面(mian)加工(gong)(gong)(gong)(gong)的(de)(de)真(zhen)(zhen)空(kong)夾具(ju)。這些真(zhen)(zhen)空(kong)夾具(ju)的(de)(de)設計(ji)都為薄(bo)壁構件(jian)的(de)(de)加工(gong)(gong)(gong)(gong)變形(xing)控制和加工(gong)(gong)(gong)(gong)精度的(de)(de)保證提供了有效(xiao)方(fang)法。
典型的(de)(de)飛機薄(bo)(bo)壁構(gou)(gou)(gou)件表面由多(duo)個型腔(qiang)組成,這些小型腔(qiang)的(de)(de)腹板部分厚度最(zui)薄(bo)(bo)處達到1 mm以下,結(jie)(jie)構(gou)(gou)(gou)復雜,形(xing)狀和(he)尺寸多(duo)變。該類(lei)結(jie)(jie)構(gou)(gou)(gou)件通常不能采(cai)用上述的(de)(de)真空(kong)夾(jia)具(ju)(ju),而采(cai)用專用的(de)(de)真空(kong)夾(jia)具(ju)(ju),則夾(jia)具(ju)(ju)品種多(duo)、數(shu)目多(duo),無(wu)法保證夾(jia)具(ju)(ju)的(de)(de)通用性。本文針對整體(ti)壁板類(lei)薄(bo)(bo)壁結(jie)(jie)構(gou)(gou)(gou)的(de)(de)加工(gong)設計了(le)一套真空(kong)柔性夾(jia)具(ju)(ju),并研究(jiu)了(le)吸盤結(jie)(jie)構(gou)(gou)(gou)以及板厚對薄(bo)(bo)壁結(jie)(jie)構(gou)(gou)(gou)的(de)(de)影響。
某飛機(ji)的(de)(de)薄壁構件(jian)如圖1所示(shi)。由于腹板(ban)較薄,加(jia)工(gong)時(shi)受(shou)到(dao)刀具軸(zhou)向切削(xue)力(li)(li)的(de)(de)作(zuo)用容(rong)易變形,因(yin)此為每處腹板(ban)增(zeng)加(jia)一套真(zhen)空柔(rou)性夾(jia)具,既能提(ti)供均勻的(de)(de)夾(jia)緊(jin)力(li)(li),又能使腹板(ban)得到(dao)有效支撐(cheng)。真(zhen)空柔(rou)性夾(jia)具結構如圖2所示(shi)。

圖1 JSF/F35典型結構件幾何特征

圖2 真空柔性夾具結(jie)構
真空柔性(xing)(xing)夾(jia)具(ju)(ju)的工(gong)作(zuo)原理是:未供油壓時,夾(jia)具(ju)(ju)處于釋放(fang)狀態;開始供油后,活塞上(shang)升(sheng)(sheng),柱塞彈(dan)簧帶動吸(xi)盤(pan)(pan)上(shang)升(sheng)(sheng)直至完(wan)全接(jie)觸工(gong)件;接(jie)著,在(zai)油壓的作(zuo)用(yong)(yong)下(xia)錐(zhui)套下(xia)移,通(tong)過鋼(gang)球(qiu)對套筒產(chan)生較大的徑向作(zuo)用(yong)(yong)力,從而對柱塞產(chan)生強勁的抱緊力;最后,通(tong)過真空泵對密(mi)封腔(qiang)抽真空,在(zai)吸(xi)附(fu)區(qu)域產(chan)生均勻(yun)的夾(jia)緊力,工(gong)件加工(gong)完(wan)成(cheng)后,使密(mi)閉腔(qiang)與大氣(qi)相通(tong),即可松(song)開工(gong)件。真空柔性(xing)(xing)夾(jia)具(ju)(ju)安裝方(fang)便(bian),具(ju)(ju)有(you)自(zi)適應性(xing)(xing),不用(yong)(yong)手動調整吸(xi)盤(pan)(pan)的高度,針對不同(tong)型腔(qiang)大小的腹板結構,僅更換真空吸(xi)附(fu)夾(jia)具(ju)(ju)上(shang)方(fang)的組(zu)件即可。
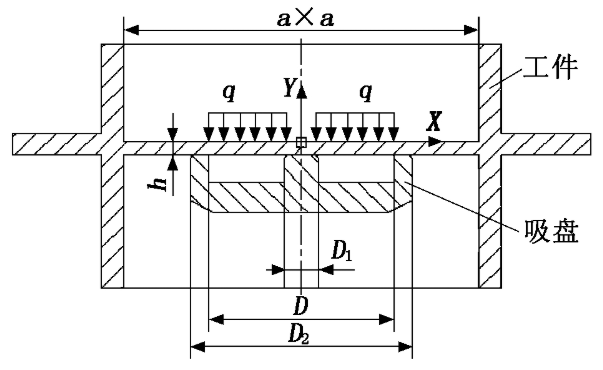
在相同的切削用量和切削方式情況下,腹板的變形規律相似,這里僅取某一處腹板結構進行分析。簡化后的裝夾幾何模型如圖3所示。密封件由橡膠制成,材質較軟,加工期間對腹板的變形影響可忽略不計,因此在有限元仿真中忽略密封件三維模型,在工件相應區域施加分布載荷q代替負壓,選取q=55 kPa。為(wei)了避免吸(xi)(xi)盤割傷鋁(lv)合(he)金工件(jian),吸(xi)(xi)盤材料選擇(ze)鋁(lv)合(he)金,工件(jian)和吸(xi)(xi)盤的材料參數見表(biao)1。

圖3 簡(jian)化(hua)后的裝(zhuang)夾幾何模型
表1 組件的主要材料參數

名稱材(cai)料彈性模量(liang)EN·mm-2泊松比v密度kg·m-3屈服極限MPa工件7050-T74517.17×1040.32830449.493吸盤LY127.1×1040.32800325
將建立的(de)三(san)維模型導入有限(xian)元(yuan)分析(xi)(xi)軟件內,采用8節點六面體單元(yuan)C3D8R對(dui)承載(zai)盤(pan)和(he)(he)工(gong)件進行(xing)網(wang)格劃(hua)分,并對(dui)承載(zai)盤(pan)和(he)(he)工(gong)件接觸區域(yu)的(de)網(wang)格進行(xing)細化。為了對(dui)位移(yi)的(de)求(qiu)解結(jie)果要求(qiu)精確,因此選擇線性縮減積分單元(yuan);腹板在受力分析(xi)(xi)中承受彎矩(ju),沿厚度(du)方向上至少應劃(hua)分4個(ge)單元(yuan)。工(gong)件腹板下表面和(he)(he)吸(xi)盤(pan)上表面定義Surface Intact,其接觸屬(shu)性設置為庫倫摩(mo)擦,摩(mo)擦因數(shu)為0.09。施(shi)加邊界條件時,吸(xi)盤(pan)下表面和(he)(he)整體框左右端突出部分施(shi)加固定約束。
采用真空柔性夾具輔助支撐腹板,即增加了一塊剛性支撐,又得到了均勻分布的夾緊力,從而提高了加工時工件的剛度。若對腹板上所有點進行受力分析計算,計算量比較龐大,因此僅選取一些參考點進行仿真分析。從腹板上表面中心向左依次選取A至G共7個參(can)考(kao)點,參(can)考(kao)點與腹板中(zhong)心的距(ju)離如表2所(suo)示。
表2 參考點與腹板中心的(de)距離 mm

參考點ABCDEFG距離(li)07.512.517.522.527.532.5
取D=40 mm,D1=8 mm,D2=50 mm,a=80 mm,板厚h=2 mm,其余板厚為5 mm,分別在各參考點處直徑Φ1 mm內的范(fan)圍加載幅(fu)值為100 N的變載荷(he),在(zai)其(qi)他條(tiao)件(jian)不變的情況下(xia),通(tong)過有限(xian)元軟件(jian)模擬了有、無真空柔(rou)性(xing)夾具作為輔助支撐兩種條(tiao)件(jian)下(xia)的腹板法向變形。
圖4(a)給出了無真空夾具作為支撐情況下,不同參考點處施加載荷所引起腹板受力變形,圖中曲線1~7分別代表在參考點A至G處單獨施加載荷所引起的腹板各點Z向位移;圖4(b)給出了有真空夾具作為支撐情況下,不同參考點處施加載荷所引起腹板受力變形,圖中曲線1~7分別代表在參考點A至G處單獨施加載荷所引起的腹板各點Z向位移。

圖4 不同加載情況下腹板上各點Z向位移
由圖4可以看出,在有、無真空夾具作為支撐的兩種情況下,腹板中心區域節點Z向位移量都較其他區域節點Z向位移大;在有輔助支撐的情況下,腹板中心區域節點Z向位移較無支撐狀態明顯減小。分別在參考點A、B、C、D處施加載荷時,在腹板上引起的節點Z向位移總體較大,越靠近載荷處,節點Z向位移越大。受力區域越靠近框壁,整體變形越小,受力區域的最大節點Z向位移同樣也減小。
薄壁件厚度越小,抵抗變形的能力越弱,在加工過程中極易因切削作用而產生“讓刀現象”和顫振。在真空柔性夾具作為輔助支撐、其余條件同上節情況下,分別選取不同腹板厚度進行分析,表3中列出了各參考點處節點最大Z向位(wei)移(yi)量隨厚度(du)的變化。
表3 參考點處節點Z向位移 μm

板厚(mm)參考點(dian)ABCDEFG2625848393222123272624201510541514129754
由表3可知,當板厚h為3 mm、4 mm時,腹板在各參考點處節點Z向位移量整體較小,這是由于腹板厚度增大,剛度變大的緣故;當板厚h=2 mm時,在腹板中心區域受力導致的節點位移量明顯增加,腹板在其余參考點處受力時,節點Z向位移(yi)量都(dou)有(you)所增加(jia)。腹板厚度較(jiao)小時(shi),增加(jia)真空柔性夾(jia)具(ju)是有(you)必要的。
由第4節可知,對于同一套吸盤而言,當腹板厚度變小時,由于密封腔邊界相對腹板厚度較大,腹板剛度不足,節點Z向位移明顯增加。針對上述問題,提出以下改善措施:減小真空腔邊界間距,劃分成多個真空腔,同時增大吸盤直徑,改進后的簡化裝夾模型如圖5所示。在其他條件同第4節的情況下,對腹板進行了有限元仿真分析。圖6為改進后有真空吸附單元作為支撐情況下,不同參考點處施加載荷所引起腹板受力變形。圖6中曲線1~7分別代表在參考點A至G處單獨施加載荷所引起的腹板各點Z向位移。

圖5 吸盤改進后的(de)簡(jian)化裝夾模型
由圖4和圖6可以看出,吸盤結構改進后,腹板中心區域受載時,腹板節點Z向位移(yi)(yi)明顯減小;同時腹板中(zhong)心區域節點(dian)位移(yi)(yi)量大小基本相等,較改進(jin)前得(de)到有效改善。
設(she)計了(le)一種新型(xing)的真空柔性夾具(ju)(ju),介紹了(le)其主要結(jie)構和工(gong)作原(yuan)理,較普通(tong)真空夾具(ju)(ju)有較好的通(tong)用性,適合(he)各(ge)類型(xing)腔腹板的加工(gong),可大(da)(da)大(da)(da)減少專用夾具(ju)(ju)的數量。
應用有(you)限元分(fen)析軟件對腹(fu)板不(bu)同點受力時(shi)腹(fu)板整體(ti)變形進行(xing)了數值模(mo)擬(ni),研究表明真空(kong)夾具作(zuo)為薄(bo)壁件的輔助支撐,能(neng)有(you)效改善薄(bo)壁件的變形,對于(yu)厚(hou)度在3 mm以(yi)下的腹(fu)板,應增(zeng)加輔助支撐來減小腹(fu)板的變形,同時(shi)真空(kong)腔邊界(jie)間(jian)距不(bu)宜過大。

圖6 吸盤改進后不同加載情況下腹板上各點Z向位移