圖1所(suo)示(shi)為雙鉸鏈式杯形(xing)車刀(dao),主(zhu)要用(yong)來車削(xue)(xue)(xue)帶柄(bing)的圓(yuan)(yuan)球(qiu)(qiu)。特點:杯形(xing)刀(dao)頭(tou)采用(yong)雙鉸鏈式與刀(dao)桿(gan)連接,能(neng)自動將圓(yuan)(yuan)形(xing)刃口中(zhong)心調(diao)整與工件中(zhong)心一(yi)致的位置,從而避免了因裝刀(dao)高低對所(suo)車球(qiu)(qiu)面(mian)圓(yuan)(yuan)度的影響(xiang);刀(dao)頭(tou)采用(yong)杯形(xing),能(neng)使切(qie)(qie)削(xue)(xue)(xue)時的切(qie)(qie)削(xue)(xue)(xue)力平衡(heng),消(xiao)除(chu)切(qie)(qie)削(xue)(xue)(xue)時的振動;因圓(yuan)(yuan)球(qiu)(qiu)的任意截(jie)面(mian)都是一(yi)個(ge)圓(yuan)(yuan),所(suo)以一(yi)定尺(chi)寸杯形(xing)刀(dao)內徑,可以車削(xue)(xue)(xue)大于杯形(xing)刀(dao)內徑一(yi)定范圍的圓(yuan)(yuan)球(qiu)(qiu),其球(qiu)(qiu)徑尺(chi)寸精度用(yong)中(zhong)滑(hua)板吃刀(dao)深度來控(kong)制;刀(dao)具(ju)結構簡單(dan),操作與刃磨方(fang)便,車削(xue)(xue)(xue)效率高,車削(xue)(xue)(xue)一(yi)個(ge)幾十毫米的手柄(bing)圓(yuan)(yuan)球(qiu)(qiu),只(zhi)需1min左(zuo)右(you)。

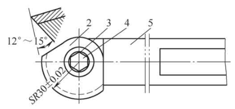
圖1 鉸(jiao)鏈式杯形(xing)圓球車刀
1.杯形刀頭 2.銷軸 3.關節 4.刀桿(gan)
車(che)(che)(che)(che)削時,先用外(wai)圓車(che)(che)(che)(che)刀(dao)按工件球徑車(che)(che)(che)(che)好外(wai)圓,并留(liu)小余量。再按球的(de)長度用切(qie)(qie)(qie)斷刀(dao)切(qie)(qie)(qie)一個(ge)槽,槽底直(zhi)徑約為12~18mm,與球徑大小成比例。然后用切(qie)(qie)(qie)斷刀(dao)把球車(che)(che)(che)(che)至(zhi)大致(zhi)形狀,最后用鉸鏈(lian)式杯形刀(dao)套在球坯上,用床鞍、中滑板(ban)調整刀(dao)的(de)縱橫向位置,如圖2所示,進行橫向吃刀(dao)車(che)(che)(che)(che)削,直(zhi)到(dao)車(che)(che)(che)(che)削至(zhi)要求尺寸為止。
兩組干(gan)預(yu)后的SAS、VAS評分均低于干(gan)預(yu)前,差(cha)異(yi)具有統計(ji)學意(yi)義(P<0.05)。觀察組干(gan)預(yu)后的SAS、VAS評分下降(jiang)程(cheng)度更明顯,差(cha)異(yi)具有統計(ji)學意(yi)義(P<0.05),見表1。

圖2 杯形刀的最終位置
一般選用的刀孔直徑D比工件球徑d小0.5~1.5mm。此刀在車削過程中,它的工作前角γ0e為負值,所以主要用來車削脆性材料,如夾布膠木、鑄鐵、鑄銅和膠木,也可用來車削尼龍和塑料。因為刀頭材料是高速鋼,切削速度vc應根據所車削的材料來選擇。在車削塑料和尼龍時,應使切削溫度不超過材料的軟化溫度(塑料為95℃、尼龍為180~220℃)。若用來車削鋼球,應盡量減小余量,采用vc<5m/min,并用潤滑性能好的(de)切削油,如植物油或極壓切削油等(deng)。
沖(chong)床、壓力機等(deng)機床上的(de)(de)球形關節內球面(mian)的(de)(de)加工(gong)精度(du)和表(biao)面(mian)質量要求較高,而且還在工(gong)件(jian)的(de)(de)深處,若采(cai)用一般(ban)的(de)(de)車削方法(fa),難(nan)以達到質量要求,而且十(shi)分困難(nan)。若采(cai)用圖3和圖4所示(shi)的(de)(de)圓形刀片和刀桿,就可輕而易舉(ju)地實(shi)現加工(gong)。
刀片材料為高速鋼,經過車、銑、淬火和磨削而成。它是左右正反對稱切削刃,前角γo=0°,后角αo=8°~12°,bα=0.05~0.1mm,刀片外徑d=內球面直徑,前刀面寬為4~8mm,刀尖橫刃很窄,刀片厚度H=4~16mm,見附表。
刀桿材料為45鋼,刀桿直徑d比圓形刀片直徑小8~30mm,安裝刀片槽的寬度h與刀片厚度H滑配合,槽深L=(1/2~1/3)d,d為刀片直徑。
二(er)戰結束后,經濟(ji)全(quan)(quan)球(qiu)化浪潮推動各國(guo)重(zhong)建和(he)新建自貿港(gang)(gang)(gang)或自由(you)貿易園區,形態上(shang)也從海港(gang)(gang)(gang)延伸(shen)到空(kong)港(gang)(gang)(gang)和(he)陸港(gang)(gang)(gang),實現(xian)(xian)了(le)(le)運輸、加(jia)工和(he)貿易的(de)緊密(mi)結合,功能上(shang)服務于出口加(jia)工貿易的(de)需要,成(cheng)為發展中(zhong)國(guo)家(jia)吸引外(wai)資、參與(yu)全(quan)(quan)球(qiu)制造(zao)業分工、實現(xian)(xian)快速工業化和(he)現(xian)(xian)代化的(de)重(zhong)要手段。一些(xie)發達國(guo)家(jia)為了(le)(le)防止國(guo)內就(jiu)業崗位大量流(liu)失,同時在自由(you)港(gang)(gang)(gang)內新增(zeng)了(le)(le)工業區,比如美(mei)國(guo)于1950年通(tong)過博格斯修正案,準(zhun)許對外(wai)貿易區內進行制造(zao)和(he)展示活動。
我們列舉出其中較少(shao)爭議的(de)部(bu)分(見表1.2)。詞(ci)作者無(wu)疑(yi)用這些典(dian)故給予了歌曲更(geng)古老(lao)繾綣卻(que)又鮮(xian)活動人的(de)強烈感(gan)染力(li)。
使用前,先用鉆頭鉆孔,再用內孔車刀大致粗擴一下,以提高球面位置精度和減小加工余量。然后把刀桿插入車床尾座錐孔中,使圓形刀片的缺圓靠在刀桿槽底面,并使刀片在槽中能左右浮動,向前移動和緊固尾座,用手搖動尾座手輪向前進刀,直至使工件內球面達到要求深度為止。根據工件材料的不同,選用不同的切削速度vc和不同的潤滑液。一般鑄鐵vc=10m/min左右,用煤油潤滑;若是鋼材vc<5m/min,用潤滑性能好的植(zhi)物油或極壓(ya)切削(xue)油潤滑。
此種刀具的特點是:刀片和刀桿的制造工藝簡單,刀片采用對稱式切削刃,并在刀桿中浮動,使切削力平衡,切削中無振動;工件內半球面的精度,由刀片的制造精度來保證;加工后工件表面粗糙度值可達Ra=1.6~0.8μm;刀片的刀尖處橫刃很窄,加工后的球面底部無凸凹缺陷;操作簡便,如同鉆孔一樣,甚至可以不用鉆頭鉆孔和刀具擴孔,直接鉆出內半球面。通過這些年先后加工φ30~φ160mm的內(nei)半球面,質(zhi)量都(dou)達到要求。
車削圖5中所示的工件1,工件材料為聚四氟乙烯(也可以加工尼龍、有機玻璃、鑄鐵和鑄銅)。要求內孔圓柱面與孔底的內半球面的連接點A必須十(shi)分光(guang)滑且無(wu)微小臺階,這就給車削帶來很大(da)困難 。為(wei)此在精(jing)車時(shi),必須在同一次走(zou)刀中,把內圓(yuan)柱(zhu)面和內球面同時(shi)一次走(zou)刀精(jing)車好。

圖3 內半球(qiu)面圓形浮動刀片(pian)

圖4 刀桿
刀片參數表

刀片直徑d/mm 20~30 31~40 41~50 51~60 61~80 81~160前角γo(°) 0后角αo(°) 10~12 10~12 10~12 8~10 8~10 8~10前刀面寬/mm 4 6 8 12 14 16刀片厚度H/mm 4 6 8 12 14 16


圖5 內球面工件(jian)和成形(xing)刀具(ju)
1.工件 2.刀片 3.墊(dian)圈 4.螺釘 5.刀桿
為了(le)車(che)削此工(gong)件(jian),就(jiu)制作了(le)圖5所示的成形(xing)車(che)刀(dao)。它是把用(yong)高速鋼制成圓形(xing)刀(dao)片(pian)(局部),用(yong)螺釘固定(ding)在(zai)(zai)刀(dao)桿上(shang)而(er)成。車(che)削內(nei)孔(kong)(kong)時,先用(yong)鉆(zhan)頭(tou)鉆(zhan)孔(kong)(kong),用(yong)內(nei)孔(kong)(kong)刀(dao)粗車(che)內(nei)孔(kong)(kong),再用(yong)成形(xing)車(che)刀(dao)半精(jing)車(che)內(nei)孔(kong)(kong)和內(nei)半球面(mian)(mian),最后在(zai)(zai)一次走刀(dao)中精(jing)車(che)圓柱孔(kong)(kong)和內(nei)球面(mian)(mian)。這樣就(jiu)使內(nei)圓柱孔(kong)(kong)與(yu)內(nei)球面(mian)(mian)無接刀(dao)痕(hen)跡,而(er)且十(shi)分光滑(hua)。
內(nei)外球面(mian)特別是有(you)一(yi)定加(jia)工(gong)精度(du)的內(nei)外球面(mian)是一(yi)種難加(jia)工(gong)工(gong)件,車削難度(du)大。只要(yao)創新刀具和相應工(gong)裝,就(jiu)會變難而(er)易。上面(mian)的三例就(jiu)說明了此問題。