一(yi)、工序設計的主要任務:
確定(ding)工序的(de)具體加(jia)工內容、切削(xue)用量、工藝裝(zhuang)備、定(ding)位安裝(zhuang)方式及刀具運(yun)動軌跡,為編制程序作好準備.
二、確定加工路線的原則(ze):
加(jia)(jia)工(gong)(gong)路(lu)(lu)線(xian)(xian)的(de)設定是(shi)很(hen)重要的(de)環(huan)節,加(jia)(jia)工(gong)(gong)路(lu)(lu)線(xian)(xian)是(shi)刀(dao)具(ju)在切削加(jia)(jia)工(gong)(gong)過程(cheng)中刀(dao)位點相(xiang)對于工(gong)(gong)件的(de)運動(dong)軌跡,它(ta)不僅包括加(jia)(jia)工(gong)(gong)工(gong)(gong)序(xu)的(de)內容,也(ye)反映加(jia)(jia)工(gong)(gong)順序(xu)的(de)安排,因而(er)加(jia)(jia)工(gong)(gong)路(lu)(lu)線(xian)(xian)是(shi)編寫加(jia)(jia)工(gong)(gong)程(cheng)序(xu)的(de)重要依據。品質新空間
1)加工(gong)路線應(ying)保證被加工(gong)工(gong)件的精度(du)和表面粗糙度(du)。
2)設(she)計加工(gong)路線要減少空行程時間,提高加工(gong)效率(lv)。
3)簡化數值計算和減少程序(xu)段,減少編程工作量。
4)根據工(gong)件的形狀(zhuang)、剛度、加工(gong)余量、機床系統的剛度等情況,確定(ding)循環加工(gong)次(ci)數。
5)合(he)理設計刀具的切(qie)入與切(qie)出的方向。采用單向趨近(jin)定位方法,避免(mian)傳動(dong)系統反向間隙而產生的定位誤差。品質新(xin)空間
6)合理選用銑削(xue)加(jia)工中的順(shun)銑或逆銑方式。一般來說(shuo),數控(kong)機床(chuang)采用滾珠絲杠,運動間隙很(hen)小,因此順(shun)銑優點(dian)多于逆銑。
三、數控機(ji)床加工路線:
1)數控車床加工路線:
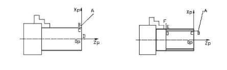
數控車(che)床車(che)削端(duan)面加工路(lu)線如圖2.4所(suo)示的(de)A-B-Op-D,其中A為換(huan)刀點,B為切入點,C--0p為刀具切削軌跡,0p為切出點,D為退刀點。

圖2.4數(shu)控(kong)車床車削端面加工(gong)路(lu)線(xian) 圖2.5數(shu)控(kong)車床車削外圓加工(gong)路(lu)線(xian)
數控車床車削外(wai)圓的加工路線如(ru)圖2.5所(suo)示(shi)A-B-C-D-E-F,其中A為(wei)換刀(dao)(dao)(dao)點(dian),B為(wei)切(qie)入點(dian),C--D--E為(wei)刀(dao)(dao)(dao)具切(qie)削軌跡(ji),E為(wei)切(qie)出點(dian),F為(wei)退刀(dao)(dao)(dao)點(dian)。品質新空(kong)間(jian)
2)數控銑床加工路(lu)線:立(li)銑刀(dao)側刃銑削平(ping)(ping)面(mian)零件外(wai)(wai)輪廓(kuo)時,應沿著外(wai)(wai)輪廓(kuo)曲線的(de)切(qie)向延長線切(qie)入(ru)或(huo)切(qie)出,避免切(qie)痕,保(bao)證零件曲面(mian)的(de)平(ping)(ping)滑過渡。

圖2.6外輪廓銑削的加工路(lu)線(xian) 圖2.7內輪廓銑削的加工路(lu)線(xian)
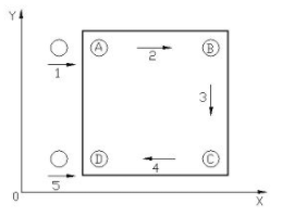
當銑削(xue)封(feng)閉(bi)內輪(lun)廓(kuo)表面時,刀具也要沿輪(lun)廓(kuo)線的切線方向(xiang)(xiang)進刀與退(tui)刀,如(ru)圖2.7所示(shi),A-B-C為刀具切向(xiang)(xiang)切入(ru)輪(lun)廓(kuo)軌(gui)跡(ji)路(lu)線,C-D-C為刀具切削(xue)工件封(feng)閉(bi)內輪(lun)廓(kuo)軌(gui)跡(ji),C-E-A為刀具切向(xiang)(xiang)切出輪(lun)廓(kuo)軌(gui)跡(ji)路(lu)線。
3)孔加工定(ding)位(wei)(wei)路線:要(yao)注意各孔定(ding)位(wei)(wei)方向的一致性,即采用單向趨(qu)近定(ding)位(wei)(wei)方法,這樣的定(ding)位(wei)(wei)方法避免了因傳動系統反向間隙而產生的定(ding)位(wei)(wei)誤差,提高孔的位(wei)(wei)置(zhi)精度。如圖2.8所示

圖2.8孔加工定位路(lu)線(xian)
四、工件的安裝與夾(jia)具的選擇
1)工件的安裝
①力求符合設計基(ji)準(zhun)(zhun)(zhun)、工藝基(ji)準(zhun)(zhun)(zhun)、安裝基(ji)準(zhun)(zhun)(zhun)和工件坐標(biao)系的基(ji)準(zhun)(zhun)(zhun)統一原則(ze)。
②減少裝(zhuang)夾次數(shu),盡可能做到在一次裝(zhuang)夾后(hou)能加(jia)(jia)工全部待加(jia)(jia)工表面(mian)。
③盡可能采用(yong)專用(yong)夾具,減少占機裝(zhuang)夾與調整的時間。
2) 夾具的選擇
①小批量(liang)加工零件(jian),盡量(liang)采用組合夾具,可調(diao)式夾具以及其它(ta)通用夾具。
②成批生產考(kao)慮采(cai)用專用夾具(ju),力求(qiu)裝(zhuang)卸(xie)方(fang)便。
③夾具的定位及(ji)夾緊機構(gou)元件不(bu)能(neng)影響刀(dao)具的走刀(dao)運(yun)動。
④裝卸零件要方便可(ke)靠,成(cheng)批生(sheng)產可(ke)采用(yong)氣動夾具(ju)、液(ye)壓(ya)夾具(ju)和多工位(wei)夾具(ju)。
五、切削用量的選擇
切削(xue)用(yong)量(liang)包(bao)括切削(xue)速度(du)Vc(或主軸(zhou)轉速n)、切削(xue)深度(du)ap和(he)進給量(liang)f,選(xuan)用(yong)原則與(yu)普通機床相(xiang)似:粗(cu)加(jia)工(gong)(gong)(gong)時,以(yi)提高生產率為主,可選(xuan)用(yong)較大的切削(xue)量(liang);半(ban)精加(jia)工(gong)(gong)(gong)和(he)精加(jia)工(gong)(gong)(gong)時,選(xuan)用(yong)較小的切削(xue)量(liang),以(yi)保(bao)證工(gong)(gong)(gong)件的加(jia)工(gong)(gong)(gong)質量(liang)。品質新(xin)空間(jian)
1)數控車(che)床切削用量
①切削(xue)深度ap:在工(gong)藝系統剛性和機床功率允許的(de)(de)條件(jian)下,可選(xuan)取較大的(de)(de)切削(xue)深度,以減少進給(gei)次數。當工(gong)件(jian)的(de)(de)精度要求較高時,則應(ying)考慮留有精加工(gong)余量(liang),一般為0.1~0.5mm。
切削深(shen)度ap計(ji)算公式:ap=(dw- dm)/2
式中dw—待加工表面外圓(yuan)直徑,單位: mm
dm—已完成(cheng)加(jia)工后(hou)的表面(mian)外(wai)圓直徑(jing),單位mm
②切(qie)削速度(du)(du)Vc:切(qie)削速度(du)(du)由工件材料、刀具材料及加工性質(zhi)等因素所確(que)定,可查(cha)表。
切削速度(du)計(ji)算公式(shi): Vc=Πdn/1000 (m/min)
式中: d—工件或刀(dao)尖的回轉直徑,單位: mm
n—工件或(huo)刀(dao)具的轉速,單位: r/min
③進給(gei)速(su)度:進給(gei)速(su)度是指單位(wei)時間內,刀具(ju)沿(yan)進給(gei)方(fang)向移動的距離,單位(wei)為mm/min,也可表(biao)示為主軸(zhou)旋轉一周刀具(ju)的進給(gei)量(liang),單位(wei)為mm/r。
進給速度Vf的計算:
Vf= n f
式中:
n—車床(chuang)主軸的轉速,單位: r/min 。
f—刀(dao)具的進(jin)給量,單位: mm/r
2) 數控銑床切削(xue)用量選(xuan)擇(ze)
數控銑床的(de)切(qie)(qie)削(xue)用量(liang)包(bao)括(kuo)切(qie)(qie)削(xue)速度(du)(du)vc、進給速度(du)(du)vf、背吃(chi)刀量(liang)ap和側(ce)吃(chi)刀量(liang)ac。切(qie)(qie)削(xue)用量(liang)的(de)選擇方(fang)法是考慮刀具的(de)耐用度(du)(du),先選取背吃(chi)刀量(liang)或側(ce)吃(chi)刀量(liang),其次確定(ding)進給速度(du)(du),最后確定(ding)切(qie)(qie)削(xue)速度(du)(du)。
①背吃刀(dao)量(liang)ap(端銑)或(huo)側吃刀(dao)量(liang)ac(圓周銑)
如圖2.9所(suo)示(shi),背吃刀量(liang)ap為(wei)平行(xing)于(yu)銑刀軸線測(ce)量(liang)的切削(xue)層尺寸,單位為(wei)mm;
側(ce)吃刀(dao)量ac為垂直于銑刀(dao)軸(zhou)線測量的切削層(ceng)尺寸,單位為mm,
端(duan)銑(xian)背吃刀量(liang)(liang)(liang)和圓(yuan)周銑(xian)側(ce)吃刀量(liang)(liang)(liang)的選取主要由加工(gong)余量(liang)(liang)(liang)和對表(biao)面質量(liang)(liang)(liang)要求(qiu)決定。

圖(tu)2.9銑刀銑削(xue)用量
②進給速度vf
進給(gei)速度指(zhi)單(dan)位(wei)時間內工件與銑(xian)刀(dao)沿(yan)進給(gei)方(fang)向(xiang)的相對位(wei)移(yi),單(dan)位(wei)為(wei)mm/min。它與銑(xian)刀(dao)轉(zhuan)速n、銑(xian)刀(dao)齒(chi)數Z及每齒(chi)進給(gei)量(liang)fz(單(dan)位(wei)為(wei)mm/z)有(you)關(guan)。
進給(gei)速度(du)的計(ji)算公式(shi):vf= fzZ n
式中每齒進給(gei)量(liang)fz的選用(yong)(yong)主要取(qu)決于(yu)工(gong)件材料和刀(dao)(dao)(dao)具材料的機械性能、工(gong)件表面粗(cu)糙度等(deng)因素。當工(gong)件材料的強(qiang)度和硬度高(gao),工(gong)件表面粗(cu)糙度的要求高(gao),工(gong)件剛性差或刀(dao)(dao)(dao)具強(qiang)度低,fz值取(qu)小(xiao)值。硬質合金銑(xian)刀(dao)(dao)(dao)的每齒進給(gei)量(liang)高(gao)于(yu)同類(lei)高(gao)速鋼銑(xian)刀(dao)(dao)(dao)的選用(yong)(yong)值,可查表選用(yong)(yong)。
③切削速度
銑削的切削速(su)度(du)與刀(dao)具耐用度(du)T、每齒進給量fz、背吃刀(dao)量ap、側(ce)吃刀(dao)量ac
以及銑(xian)刀(dao)齒數Z成反比,與銑(xian)刀(dao)直徑(jing)d成正比。其原因是fz、ap、
ac、Z增大時(shi),使(shi)同時(shi)工作齒數增多,刀刃負荷和(he)切(qie)削熱(re)增加(jia),加(jia)快刀具磨損,因此刀具耐(nai)用度限(xian)制了切(qie)削速(su)度的提高。如果加(jia)大銑刀直徑則可以改(gai)善散熱(re)條件,相應提高切(qie)削速(su)度。
六、對(dui)刀點和換(huan)刀點的選擇
1)對刀點(dian)(dian)是刀具(ju)相對工(gong)件(jian)運動的(de)起點(dian)(dian),程序(xu)就(jiu)是從(cong)這一點(dian)(dian)開(kai)始的(de),故(gu)又叫程序(xu)原點(dian)(dian)或程序(xu)起點(dian)(dian)(起刀點(dian)(dian))。
其選擇原則是:
①應(ying)盡量選在零件的設計基準或工藝基準上,如以(yi)(yi)孔(kong)(kong)定位的零件,應(ying)以(yi)(yi)孔(kong)(kong)中(zhong)心作為(wei)對刀點。
②對刀點應選在對刀方便的位置,便于觀(guan)察和檢測。
③應便于(yu)坐(zuo)標值(zhi)的計算。如絕對(dui)坐(zuo)標系(xi)的原點(dian)或已知坐(zuo)標值(zhi)的點(dian)上。
④使加工(gong)程(cheng)序中刀具引入(ru)(或返(fan)回)路線短并便于換刀。
2)對刀(dao)點可選(xuan)在零(ling)件上(shang),也(ye)可選(xuan)在夾具或機床(chuang)上(shang),若選(xuan)在夾具或機床(chuang)上(shang),則必須與工件的定位基準有一定的尺(chi)寸(cun)聯系。如(ru)圖2.10所示。

圖2.10對(dui)刀(dao)(dao)點(dian)和換刀(dao)(dao)點(dian)的確定(ding)
3)對刀(dao)時,應使(shi)"刀(dao)位(wei)點(dian)"與(yu)" 對刀(dao)點(dian)" 重合,對刀(dao)的準確程(cheng)度直接影響加(jia)工精度,不(bu)同刀(dao)具的刀(dao)位(wei)點(dian)是不(bu)同的。如圖2.11所示。

圖2.11不同(tong)刀具的刀位點
4)對數(shu)控車(che)床(chuang)(chuang)、鏜銑床(chuang)(chuang)、加(jia)工(gong)(gong)中心等(deng)多(duo)刀(dao)(dao)加(jia)工(gong)(gong)數(shu)控機(ji)床(chuang)(chuang),因加(jia)工(gong)(gong)過(guo)程中要進行換刀(dao)(dao),故編程時應考慮不同(tong)工(gong)(gong)序間的(de)換刀(dao)(dao)位(wei)(wei)置(zhi),設置(zhi)換刀(dao)(dao)點(dian)。為避免(mian)換刀(dao)(dao)時刀(dao)(dao)具(ju)與工(gong)(gong)件及(ji)夾具(ju)發生干(gan)涉,換刀(dao)(dao)點(dian)應設在工(gong)(gong)件外合適(shi)的(de)位(wei)(wei)置(zhi)。如(ru)上圖2.10所示。