序,在核電、軍(jun)工(gong)、航空航天等(deng)領(ling)域被(bei)廣泛應用(yong)。而(er)在(zai)車(che)銑復(fu)合加工(gong)機床中,根(gen)據(ju)機床的(de)用途其工(gong)作臺(tai)的(de)傳動控制方(fang)式不同。當機床進行(xing)銑(xian)削(xue)加工(gong)(gong)時,工(gong)(gong)作臺(tai)做為銑(xian)削(xue)進給軸(zhou)時被稱為C軸(zhou),C 軸(zhou)需要具備(bei)分度(du)及(ji)進給的功能,可參與聯(lian)動加工(gong)(gong),一般要求的定(ding)位精度(du)及(ji)重(zhong)復定(ding)位精度(du)較(jiao)高(gao),要求消除(chu)傳動鏈(lian)的間隙。當機床進(jin)行車(che)削加工時,工作臺只作旋(xuan)轉運動,對旋(xuan)轉的位置不(bu)進(jin)行控制(zhi)。作(zuo)為C 軸時工作(zuo)臺需要的(de)驅動扭(niu)矩較(jiao)(jiao)小,而作(zuo)為車削運動旋轉(zhuan)時需要的(de)驅動扭(niu)矩較(jiao)(jiao)大。

  1 、傳動鏈工作原理及設計
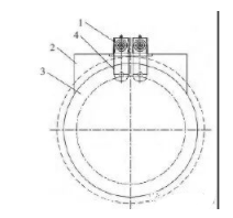
     由于一對齒輪副在(zai)實(shi)際(ji)制造過程中(zhong)很難保證每個(ge)齒的兩個(ge)齒面同(tong)時接觸,必然會存在(zai)間隙。但是工作(zuo)臺作(zuo)為C 軸使用時(shi)要求傳動鏈必須消除間隙才能滿足使用要求。本設計采用2 個西(xi)門子伺服(fu)(fu)電機,通過主(zhu)-從控制(zhi)方(fang)式分別控制(zhi)2個伺服(fu)(fu)電機,以達到(dao)消(xiao)除傳動(dong)間隙的(de)目的(de),其布局結構如圖1 所示。
        
 
                 圖1 C 軸傳動布局
     1.伺(si)服電機及(ji)減速箱2.工作臺底座3.工作臺4.傳動齒(chi)形鏈
     
     其中,伺(si)服電機及減速(su)箱1 通過支架(jia)把合(he)在工作(zuo)臺(tai)底座2 上,通過齒(chi)形鏈(lian)4 將減速(su)箱輸(shu)(shu)出輪(lun)與(yu)底座上的(de)輸(shu)(shu)入輪(lun)連(lian)接,工作(zuo)臺(tai)底座上的(de)輸(shu)(shu)出輪(lun)與(yu)工作(zuo)臺(tai)3 上的(de)大齒(chi)圈嚙(nie)合(he),傳(chuan)動鏈(lian)共(gong)2 套,2個傳(chuan)動鏈(lian)的(de)輸(shu)(shu)出小齒(chi)輪(lun)同(tong)時與(yu)工作(zuo)臺(tai)的(de)大齒(chi)圈嚙(nie)合(he)。

    1.2 C 軸消隙原理
     本(ben)設計中2 套伺服(fu)(fu)電機(ji)分別(bie)驅(qu)動2 個(ge)小(xiao)齒(chi)輪(lun)與(yu)工作臺大(da)齒(chi)圈(quan)同時(shi)嚙合,針(zhen)(zhen)(zhen)對(dui)2 個(ge)伺服(fu)(fu)電機(ji)分別(bie)預加一對(dui)大(da)小(xiao)相(xiang)等,方向相(xiang)反的(de)扭矩,這就(jiu)保證了2 個(ge)小(xiao)齒(chi)輪(lun)分別(bie)有1 個(ge)齒(chi)面是(shi)與(yu)大(da)齒(chi)圈(quan)的(de)齒(chi)面無間隙接觸,如圖2 所示,小(xiao)齒(chi)輪(lun)1 被(bei)預加逆(ni)時(shi)針(zhen)(zhen)(zhen)的(de)扭矩,小(xiao)齒(chi)輪(lun)2 被(bei)預加順時(shi)針(zhen)(zhen)(zhen)扭矩,當工作臺接收到順時(shi)針(zhen)(zhen)(zhen)旋轉(zhuan)(zhuan)的(de)命令后,驅(qu)動小(xiao)齒(chi)輪(lun)1的(de)伺服(fu)(fu)電機(ji)作為(wei)主工作電機(ji)開始運轉(zhuan)(zhuan),驅(qu)動大(da)齒(chi)圈(quan)3 逆(ni)時(shi)針(zhen)(zhen)(zhen)轉(zhuan)(zhuan)動,而驅(qu)動小(xiao)齒(chi)輪(lun)2 的(de)伺服(fu)(fu)電機(ji)則成為(wei)負(fu)載(zai)從(cong)動旋轉(zhuan)(zhuan)。如果工作臺逆(ni)時針旋轉,則驅動小(xiao)齒(chi)(chi)輪1 與驅動小(xiao)齒(chi)(chi)輪2 的伺服電機(ji)主從關(guan)系逆(ni)轉,驅動小(xiao)齒(chi)(chi)輪1 的伺服電機(ji)成為(wei)負載。整個(ge)消隙系(xi)統(tong)的剛(gang)性取(qu)決于預加扭(niu)矩(ju)的大小,預加的扭(niu)矩(ju)越大則系(xi)統(tong)剛(gang)性越好,一般需要根據實際情況(kuang)調整預加扭(niu)矩(ju)的值。
                              圖(tu)2 C 軸消隙(xi)原(yuan)理圖(tu)
                          1.小齒輪(lun)2.小齒輪(lun)3.大齒圈
     伺服電機的編碼器與工作臺中心安裝的海德漢圓光柵形成閉環控制,保證工作臺準確定位。
     1.3 大扭(niu)矩傳動工作原理
     當(dang)機(ji)(ji)床進行粗加(jia)工(gong)或工(gong)作(zuo)臺(tai)快速啟動(dong)時(shi)(shi),工(gong)作(zuo)臺(tai)需要(yao)提供較(jiao)大扭(niu)矩(ju),這時(shi)(shi)傳動(dong)鏈(lian)上的(de)單個(ge)電(dian)機(ji)(ji)工(gong)作(zuo)無法提供工(gong)作(zuo)臺(tai)實際工(gong)作(zuo)所需要(yao)的(de)扭(niu)矩(ju),此(ci)時(shi)(shi),從動(dong)電(dian)機(ji)(ji)會自動(dong)啟動(dong),旋向(xiang)與主動(dong)電(dian)機(ji)(ji)相(xiang)同(tong),如(ru)圖3 所示,2 個(ge)疊加(jia)工(gong)作(zuo),提供較(jiao)大扭(niu)矩(ju)。
                     圖3 雙電機疊加工作(zuo)原理圖
                     1.小齒輪(lun)2.小齒輪(lun)3.大齒圈
2 、應用實例
      以我公司生產的CXH5255×35/32(北京衛星)產品(pin)為例:工(gong)作(zuo)臺(tai)最大扭(niu)矩(ju)為(wei)70 kNm;工作臺(tai)轉速(su)范圍為0.5~50 r/min;電機(ji)為西門子(zi)1PH7224,功率2×55 kW;電機額定轉速為700 r/min;傳動鏈降速比為i=73;主(zhu)傳動計算轉速為700/73=9.6 r/min。單個電機輸(shu)出工作臺最大扭矩為T=9550×Pm×η/n=9550×55×0.85/9.6=46.5 kN·m,46.5×2=93 kN·m>70 kN·m,因此滿(man)足使用要求。
      3 、結語
雙電機(ji)消隙(xi)技(ji)術具有結構簡單(dan)、傳動(dong)(dong)(dong)效率高(gao)、適應(ying)(ying)高(gao)速傳動(dong)(dong)(dong)、裝配容(rong)易(yi)等優(you)點,廣泛用(yong)于(yu)(yu)(yu)大型機(ji)床的(de)進(jin)給傳動(dong)(dong)(dong)系統(tong)(tong),但該技(ji)術應(ying)(ying)用(yong)于(yu)(yu)(yu)立式(shi)車(che)(che)銑復合(he)加工中(zhong)心工作臺主傳動(dong)(dong)(dong)系統(tong)(tong)在(zai)國內尚處于(yu)(yu)(yu)探(tan)索階段,隨著立式(shi)車(che)(che)銑復合(he)加工中(zhong)心市場(chang)需求(qiu)數(shu)量的(de)增加,該技(ji)術的(de)應(ying)(ying)用(yong)會越(yue)來(lai)越(yue)廣泛。
